NXP Semiconductors QN9080-001-M17 Bluetooth® Modules

NXP Semiconductors QN9080-001-M17 BLUETOOTH® Modules are fully certified modules that support Bluetooth Low Energy (BLE) and NFC. These Bluetooth modules include ultra-low power consumption, highly integrated with rich feature sets, and are fully FCC/CE/IC/MIC certified. The QN9080-001-M17 Bluetooth modules are based on the QN9080 MCU powered by an Arm® Cortex®-M4F and integrate a dedicated Fusion Sensor Co-Processor (FSP). These Bluetooth modules also integrate NFC NTAG, 32MHz, 32.768kHz crystals, RF matching, and a 2.4GHz antenna. This offers a complete and ready-to-use solution for applications that require BLE wireless connectivity and simple pairing with NFC NTAG. The NXP Semiconductors QN9080-001-M17 modules are ultra-small devices based on the QN9080 die and the NT3H2211 die. NXP Semiconductors QN9080-001-M17 Bluetooth Modules are suitable for health and medical devices, sports and fitness trackers, building and home automation, and advertising beacons.

Features

  • Bluetooth Low Energy Radio
    • 92.7dB RX sensitivity
    • 20dBm to +2dBm TX output power
    • LE 2M PHY with Bluetooth 5 qualified supports up to 16 simultaneous links
  • NTAG
    • ISO/IEC 14443 part 2 and 3 compliant
    • NTAG I2C plus development board is certified as NFC forum type 2 tag (Certification ID: 58514)
  • Core and Memories
    • 32MHz Cortex–M4F core 512KB flash memory 128KB SRAM
    • 32MHz Fusion Sensor Processor (FSP)
    • 512KB flash and 128KB RAM
  • Low Power Consumption and Operating Voltage Ranges
    • 3.5mA TX current at 0dBm Tx power
    • 4.0mA RX current
    • 1.67V to 3.6V operating voltage range
  • Digital and Analog Peripherals
    • UART/SPI/I2C up to 2 and 1 USB 2.0 full speed
    • 8-channel 16-bit Σ△ADC, 8-bit DAC with 1Msps, and 2 ultra-low-power comparators
    • 4 x general purpose timer and SCT/PWM
    • 8-channel capacitive touch
    • Quad-SPI for XIP
    • Temperature sensor
  • Easy of Design
    • Integrated 32MHz and 32.768kHz crystals
    • Integrated 2.4GHz antenna
    • Fully FCC/CE/IC/MIC certified

Applications

  • Health and medical devices
  • Sports and fitness trackers
  • Building and home automation
  • Retail and advertising beacons

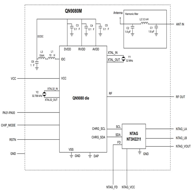
QN9080-001-M17 Block Diagram

NXP Semiconductors QN9080-001-M17 Bluetooth® Modules
發佈日期: 2019-04-05 | 更新日期: 2023-07-06