NXP Semiconductors RDDRONE-BMS772 Battery Management System (BMS)
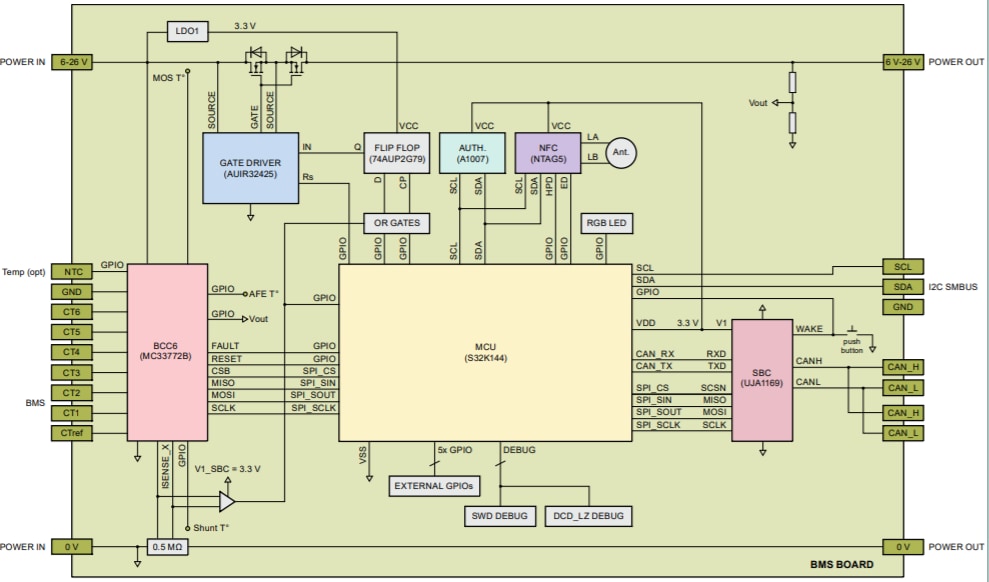
NXP Semiconductors RDDRONE-BMS772 Battery Management System (BMS) is suitable for mobile robotics such as drones and rovers and supports 3- to 6-cell batteries. This BMS performs ADC conversion on the differential cell voltages and currents and is capable of accurately counting and measuring battery-charge coulomb and temperature. The RDDRONE-BMS772 BMS communicates with a Flight Management Unit (FMU) through UAVCAN and/or SMBus and allows battery authentication. This system features active cell balancing during charging, deep sleep mode with low leakage current, and automatic sleep mode with low current consumption on the battery.The NXP RDDRONE-BMS772 BMS allows diagnostics to verify the safe operation of the battery, CAN, I2C, and NFC communication. This system implements SWD and JTAG debugging interfaces and works with standard J-Link and other debuggers. The RDDRONE-BMS772 BMS operates at 6V to 26V battery input voltage range and -20℃ to 60℃ ambient temperature range.
Features
- Active cell balancing during charging
- Offers a deep sleep mode with low leakage current
- Automatic sleep mode with low current consumption on the battery
- Allows authentication of the battery
- Allows diagnostics to verify the safe operation of the battery
- Allows CAN, I2C, and NFC communication
- Implements SWD and JTAG debugging interfaces and works with standard J-Link and other debuggers
- Implements DCD-LZ combined debug console interface for use with PX4 DroneCode and HoverGames platforms
Specifications
- 6V to 26V battery input voltage range
- -20℃ to +60℃ operating ambient temperature range
- 90A battery charge/discharge current
Kit Contents
- Assembled and tested RDDRONE-BMS772 in an anti-static bag
- CAN bus termination resistor (DRONE-CAN-TERM)
- 3s, 4s, and 6s unmounted cell-balancing connectors
- 4-pin JST-GH to 4-pin JST-GH 300mm cable
- Power input and power output connectors
- Quickstart guide
Block Diagram
Additional Resource
發佈日期: 2020-10-14
| 更新日期: 2024-10-18
