Omron Industrial Automation S8VK-WA三相200V電源

Omron Automation S8VK-WA三相200V電源具有24VDC輸出、170VAC至264VAC輸入與240W至960W額定功率。該器件具有三相輸入範圍,因此無需負載均衡且沒有缺相風險。S8VK-WA支援使用三個LED及兩個MOSFET繼電器輸出來快速識別錯誤位置。該電源設計用於處理高達額定電流150%的高浪湧電流(持續10秒)。Omron S8VK-WA開關模式電源符合EN/IEC 61558-2-16標準,且在環境溫度範圍-40°C至+70°C下運行。

規格

  • 24V輸出電壓
  • 170VAC至264VAC輸入電壓範圍
  • 240W至960W額定功率
  • 效率高達95%
  • 過壓與過載保護
  • 50/60Hz(47Hz至63Hz)額定頻率
  • 1mA(最大值)漏電流
  • 符合EN/IEC 61558-2-16標準
  • -40°C至+70°C環境溫度範圍
  • 2個MOSFET繼電器輸出(1個用於直流輸出,另1個用於過載保護)

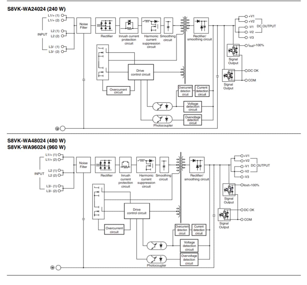
方塊圖

結構圖 - Omron Industrial Automation S8VK-WA三相200V電源

影片

發佈日期: 2019-04-16 | 更新日期: 2025-06-04