onsemi FL7701MX Low-Power LED Driver
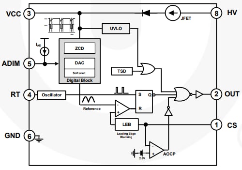
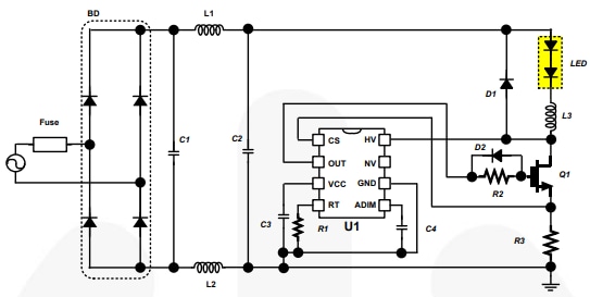
onsemi FL7701MX Low-Power LED Driver is a simple IC with Power Factor Correction (PFC) function. The special "adopted digital" technique of the IC can automatically detect input voltage condition and send an internal reference signal for achieving a high power factor. The FL7701MX driver automatically enables PFC function when an AC input is applied and automatically disables PFC function when DC input is applied. The FL7701MX Low-Power LED driver comes with built-in HV self-biasing supplying circuit. Typical applications include LED lamp for decorative lighting and low-power lighting.Features
- Simple IC with digitally implemented active PFC function
- Built-in HV self-biasing supplying circuit
- 80VAC to 308VAC application input voltage range
- AOCP function with auto-restart mode
- Built-in Over-Temperature Protection (OTP) function
- Cycle-by-cycle current limit
- Current-Sense pin open protection
- 0.85mA (typical) low operating current
- Under-Voltage Lock-Out (UVLO) with 5V hysteresis
- Programmable LED current
- Analog dimming function
- Soft-Start function
- ±3% precise internal reference
Applications
- LED lamp for decorative lighting
- LED lamp for low-power lighting
Block Diagram
Application Diagram
Learn More About
發佈日期: 2013-03-19
| 更新日期: 2022-03-11
