onsemi STK544UC63K-E Intelligent Power Module (IPM)
onsemi STK544UC63K-E Intelligent Power Module (IPM) is a 3-phase, fully integrated, 10A/600V rated IGBT module with integrated drivers. This driver comprises a high-voltage driver, six IGBTs, and a thermistor that drives Permanent Magnet Synchronous Motors (PMSM), Brushless-DC (BLDC), and AC synchronous motors. The STK544UC63K-E driver features a full range of protection functions that includes cross-conduction protection, external shutdown, and under-voltage lockout. Typical applications include industrial drives, industrial pumps, industrial fans, and industrial automation.Features
- 3-phase 10A/600V IGBT module with integrated drivers
- Built-in under-voltage protection
- Cross-conduction protection
- Adjustable over-current protection level
- Integrated bootstrap diodes and resistors
- Thermistor for substrate temperature measurement
- UL1557 certification
- Pb-free and RoHS compliant
Applications
- Industrial drivers
- Industrial pumps
- Industrial fans
- Industrial automation
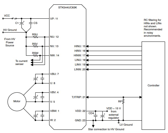
Schematic Diagram
Functional Diagram
Simplified Block Diagram
發佈日期: 2019-07-21
| 更新日期: 2024-02-13
