onsemi NCV57001 Isolated High Current IGBT Gate Drivers
onsemi NCV57001 Isolated High Current IGBT Gate Drivers with internal galvanic isolation are designed for high system efficiency and reliability in high-power applications. The NCV57001's features include complementary inputs, open drain FAULT, Ready outputs, active Miller clamp, accurate UVLOs, DESAT protection, and soft turn-off at DESAT. The device allows both 5V and 3.3V signals on the input side and a wide bias voltage range on the driver side, including negative voltage capability. The device provides >5kVrms (UL1577 rating) galvanic isolation and >1200Viorm (working voltage) capabilities. The NCV57001 Isolated High Current IGBT Gate Driver is packaged to fulfill reinforced safety insulation requirements. The device is offered in a wide-body SOIC-16 package with a guaranteed 8mm creepage distance between input and output.Features
- High current output (+4/-6A) at IGBT Miller plateau voltages
- Low output impedance for enhanced IGBT driving
- Short propagation delays with accurate matching
- Active Miller clamp to prevent spurious gate turn-on
- DESAT protection with programmable delay
- Negative voltage (down to -9V) capability for DESAT
- Soft turn-off during IGBT short circuit
- IGBT gate clamping during short circuit
- IGBT gate active pulldown
- Tight UVLO thresholds for bias flexibility
- Wide bias voltage range, including negative VEE2
- 3.3V to 5V input supply voltage
- Designed for AEC-Q100 certification
- 5000V galvanic isolation (to meet UL1577 requirements)
- 1200V working voltage (per VDE0884-10 requirements)
- High transient immunity
- High electromagnetic immunity
- Pb-free, Halogen-free, and RoHS-compliant
Applications
- Automotive power supplies
- HEV/EV powertrains
- OBC
- BSG
- EV chargers
- PTC heaters
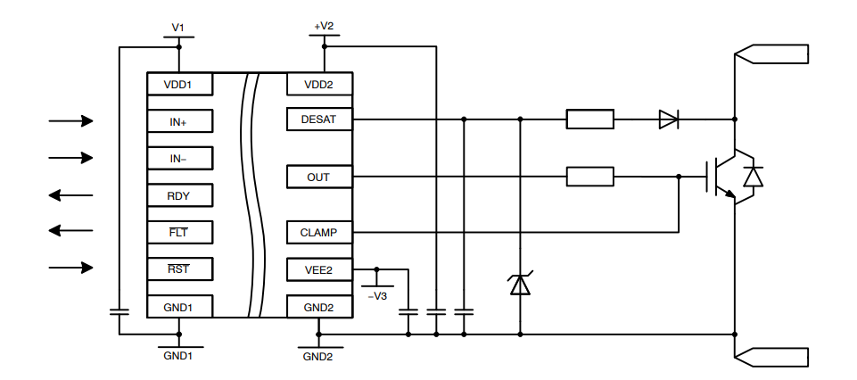
Simplified Block Diagram
Simplified Application Schematics
Additional Resources
發佈日期: 2019-04-30
| 更新日期: 2024-01-31
