onsemi FGAFx0N60 Field Stop IGBTs
onsemi FGAFx0N60 650V Field Stop IGBTs use a novel field stop IGBT technology. These IGBTs feature high current capability, low saturation voltage, high input impedance, and fast switching. onsemi FGAFx0N60 IGBTs offer the optimum performance for solar inverters, UPS, welder, and PFC applications that require low conduction and switching losses.Features
- Positive temperature coefficient for easy parallel operation
- High current capability
- Low saturation voltage
- High Input impedance
- Fast switching
- Tightened parameter distribution
- RoHS compliant
Specifications
- +175°C junction temperature (maximum)
- 600V collector to emitter voltage (VCES)
- -55°C to +175°C operating junction temperature range
Applications
- Sewing machine
- CNC
- Home appliances
- Motor-control
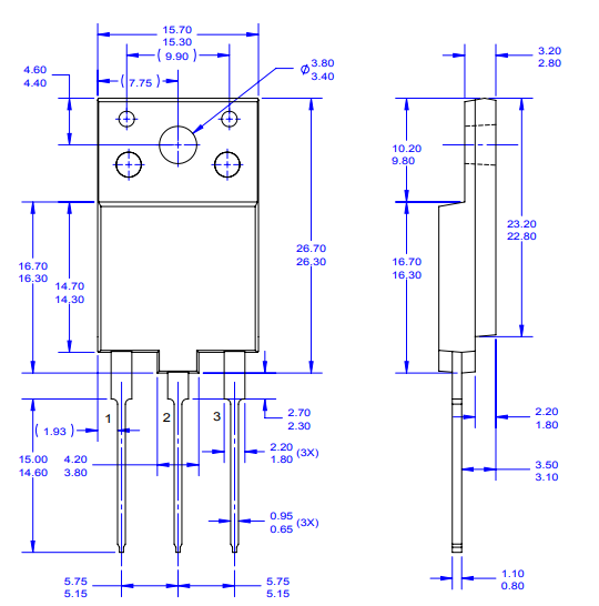
FGAFx0n60 IGBTs Mechanical Drawing
發佈日期: 2013-08-06
| 更新日期: 2023-04-27
