onsemi HCPL3700M Optocouplers
Onsemi HCPL3700M Optocouplers are voltage/current threshold detection devices consisting of an AlGaAs LED connected to a threshold sensing input buffer IC. This IC is optically coupled to a high-gain darlington output. These optocouplers include an input buffer chip capable of controlling threshold levels over a wide range of input voltages with a single resistor. The output is TTL and CMOS compatible. The HCPL3700M optocouplers feature programmable sense voltage and logic level compatibility of the device. These optocouplers are Pb-free and have a threshold guaranteed over a temperature range of 0°C to 70°C. The HCPL3700M optocouplers are suitable for low voltage detection, 5V to 240V AC/DC voltage sensing, relay contact monitor, current sensing, microprocessor interface, and industrial controls.Features
- AC or DC input
- Programmable sense voltage
- Logic level compatibility
- Threshold guaranteed over 0°C to 70°C temperature range
- These are Pb-free devices
- Safety and regulatory approvals:
- UL1577, 5000VACRMS for 1 minute
- DIN EN/IEC60747-5-5
Applications
- Low voltage detection
- 5V to 240V AC/DC voltage sensing
- Relay contact monitor
- Current sensing
- Microprocessor interface
- Industrial controls
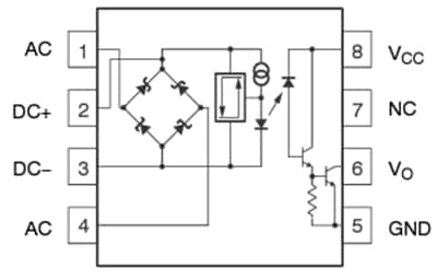
Electrical Connections
Block Diagram
View Results ( 5 ) Page
| 零件編號 | 規格書 | 封裝/外殼 | 最大連續輸出電流 | If - 順向電流 | 下降時間 |
|---|---|---|---|---|---|
| HCPL3700SDVM | ![]() |
PDIP-8 | 30 mA | 0.5 us | |
| HCPL3700SM | ![]() |
SMT-8 | 100 uA | 0.5 us | |
| HCPL3700SDM | ![]() |
PDIP-8 | 30 mA | 0.5 us | |
| HCPL3700M | ![]() |
DIP-8 | 30 mA | 3.7 mA | 500 ns |
| HCPL3700VM | ![]() |
DIP-8 | 30 mA | 4.4 mA | 500 ns |
發佈日期: 2024-09-30
| 更新日期: 2024-10-28

