onsemi NCD57081 Gate Drivers
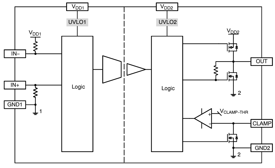
onsemi NCD57081 Gate Drivers are high-current IGBT gate drivers with 3.75kVrms internal galvanic isolation for reliable performance in high-power applications. The onsemi NCD57081 accepts complementary inputs, and each variant offers specific features. The NCD57081A features an active miller clamp, the NCD57080B has a negative power supply, and the NCD57081C has separate high and low driver outputs (OUTH and OUTL) for convenience in system design. All variants accommodate a wide range of input bias voltage and signal levels (3.3V to 20V) and come in a narrow-body SOIC-8 package.Features
- High peak output current (±6.5A)
- Short propagation delays with accurate matching
- High transient and electromagnetic immunity
- 3.75KVrms on-chip galvanic isolation
- Wide bias voltage ranges and input voltage range
- Active miller clamp, negative gate voltage, or split outputs
Applications
- UPS
- Motor control
- Industrial power supplies
- HVAC
- Solar inverters
Block Diagram
發佈日期: 2024-02-14
| 更新日期: 2024-03-07
