安森美NCD57090與NCV57090 IGBT/MOSFET閘極驅動器採用緊湊的SOIC-8封裝。NCV57090符合AEC-Q100標準,並且適用於汽車應用的PPAP。
特點
- 符合AEC-Q100標準且具有PPAP能力(僅限NCV57090)
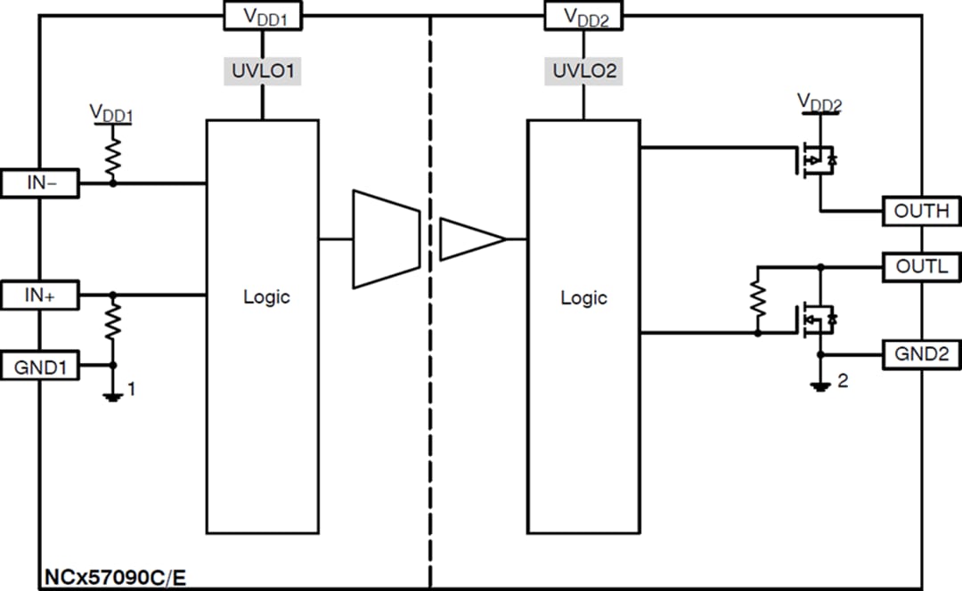
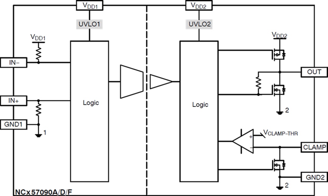
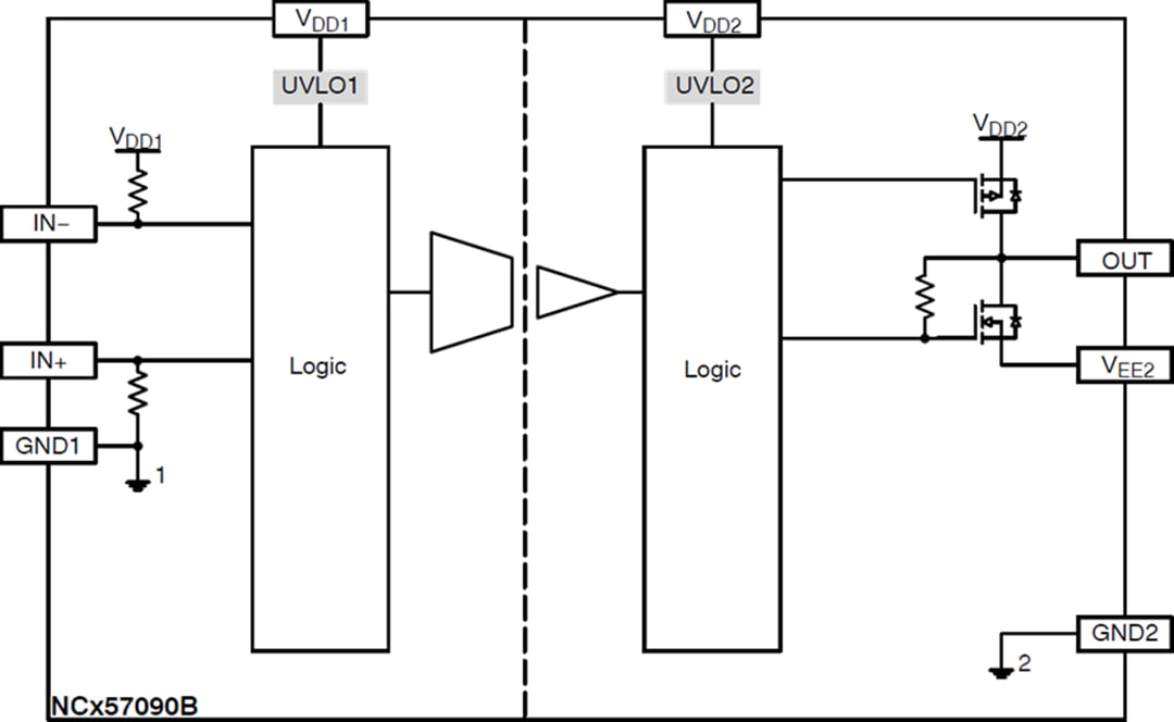
- 高+6.5A/-6.5A峰值輸出電流
- 低箝位壓降無需負電源即可防止虛假閘極導通(版本A、D、F)
- 傳播延遲時間短,具有精確匹配
- 短路期間IGBT/MOSFET閘極箝位
- IGBT/MOSFET閘極主動下拉
- 嚴格的UVLO閾值可實現偏置靈活性
- 寬偏壓範圍,包括負VEE2(版本B)
- 邏輯輸入:3V、5.0V及15.0V
- 電流隔離:5kVrms
- 高瞬態抗擾度
- 高電磁抗擾度
- 最高結溫:150 °C
- 作業溫度範圍:-40°C至+125°C
- SOIC-8封裝
- 無鉛、無鹵/BFR,且符合RoHS標準
應用
- 汽車應用(僅限NCV57090)
- 電機控制
- 不間斷電源(UPS)
- 工業電源
- 太陽能逆變器
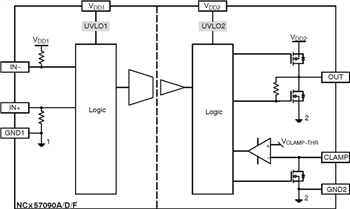
腳位名稱
封裝概覽
發佈日期: 2021-03-12
| 更新日期: 2024-03-05

