安森美 (onsemi) NCV12711電流模式PWM控制器採用可編程軟啟動、輸入電壓UVLO保護和過功率保護(OPP)電路,可在輸入電壓增加時限制電路的總功率能力。此外,NCV12711包括一系列保護功能,包括逐週期峰值電流限制,並具有平滑頻率增加和基於定時器的過載保護功能。所有保護功能使控制器處於低靜態故障模式,具有1秒自動恢復期間,允許在故障狀態被移除時恢復系統。
特點
- 寬VCC輸入範圍(4V至45V)
- 內部7.5V穩壓器
- 具有可調節斜率補償的電流模式控制
- 無負載狀態下操作為0%佔空比
- 內部過功率保護
- 單電阻可編程振盪器100kHz至1MHz
- 峰值電流和頻率上的可調節軟啟動
- 帶滯後的可編程輸入電壓UVLO
- 外部停用的關機閾值
- 具有30毫秒過載計時器的過載保護
- 內部運算放大器
- 具有1秒自動恢復期間的故障自動恢復模式
- ±1A灌/拉柵極驅動器
- NCV前綴適用於需要獨特現場和控制變更要求的汽車和其他應用;符合AEC−Q101標準和具有PPAP功能
應用
- 用於電動汽車的單端返馳式和正向轉換器
- 用於輔助功率的汽車4V至45V輸入DC/DC控制器
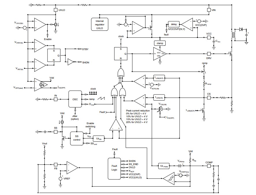
結構圖
應用示意圖
發佈日期: 2022-08-22
| 更新日期: 2022-10-13

