onsemi NCV51563 Isolated Dual Channel Gate Driver
onsemi NCV51563 Isolated Dual-Channel Gate Driver supports 4.5A source and 9A sink peak current. The NCV51563 is built for fast switching to drive power MOSFETs and SiC MOSFET power switches. The NCV51563 features short and matched propagation delays.The onsemi NCV51563 Isolated Dual-Channel Gate Driver provides two independent and 5kVRMS (UL1577 rating) galvanically isolated gate driver channels. These channels offer many possible configurations of two low-side, two high-side switches, or a half-bridge driver with programmable dead time.
The NCV51563 has many protection functions, including independent under-voltage lockout for both gate drivers and a dead time adjustment function.
Features
- Flexible dual low-side, dual high-side, or half-bridge gate driver
- 4.5A Peak source, 9A peak sink output current capability
- Independent UVLO protections for both output drivers
- Output supply voltage from 6.5V to 30V with 5V and 8V for MOSFET, 13V and 17V UVLO for SiC, thresholds
- Common mode transient immunity CMTI >200V/ns
- Propagation delay typical 36ns with
- 5ns Max delay matching per channel
- 5ns Max pulse-width distortion
- User programmable input logic
- Single or dual-input modes via ANB
- ENABLE or DISABLE Mode
- User programmable dead-time
- AEC−Q100 Qualified for automotive application requirements
- Isolation and safety
- 5kVRMS Isolation for 1 minute (per UL1577 requirements)
- 8000VPK Reinforced isolation voltage (per VDE0884-11 requirements)
- CQC Certification per GB4943.1-2011
- SGS FIMO Certification per IEC 62386-1
- Pb-Free Devices
Applications
- On-board chargers
- XEV DC-DC Converters
- Traction inverters
- Charging stations
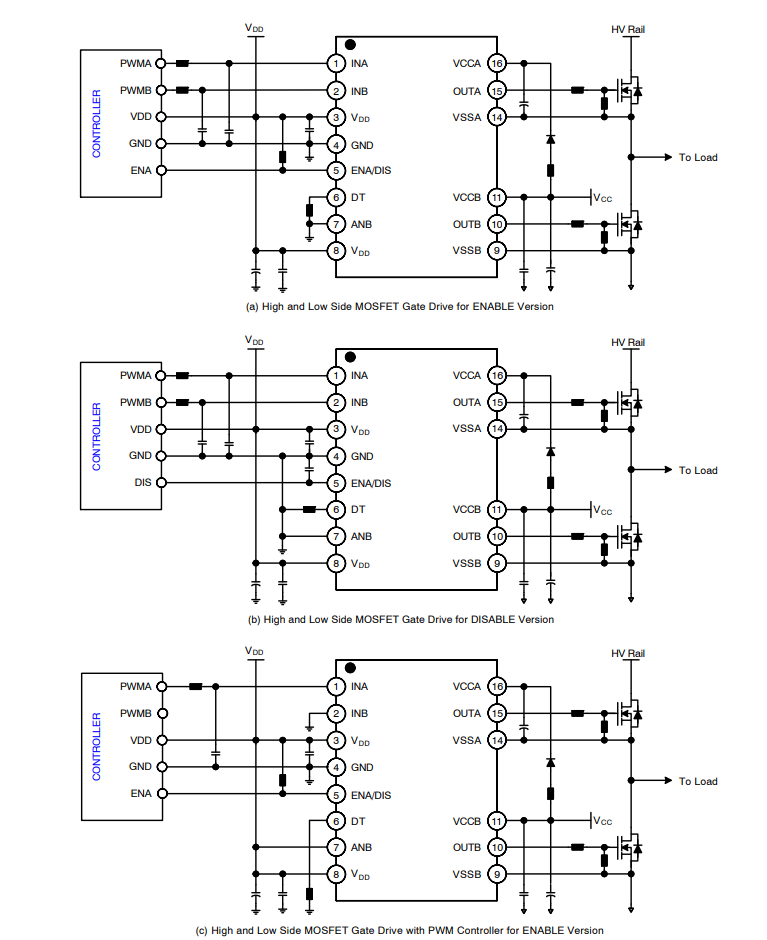
Typical Application Circuits
Block Diagram
發佈日期: 2022-08-23
| 更新日期: 2023-08-11
