onsemi NCV76124 Signal Conditioning Sensor
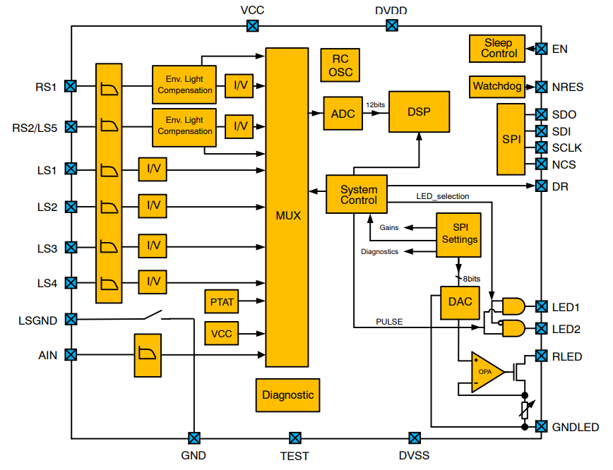
onsemi NCV76124 Signal Conditioning Sensor is an interface chip designed for rain and light detection in automotive applications. The sensor measures photodiode currents that characterize rain and light signals and communicates the converted signals to a master microcontroller on request through the SPI (Serial Peripheral Interface). The rain measurement data can be utilized to control rain wipers. Meanwhile, the light intensity signals are implemented to control the brightness of displays, headlamps, and other things. The SPI programmability allows a single hardware configuration to support various applications.With easy SPI control, the onsemi NCV76124 Signal Conditioning Sensor needs minimum software overhead. It supplies more sensor channels with a high dynamic range, constructing a high-performance and safe solution for modern vehicles.
Features
- Conversion of the rain and light sensor photodiodes current to a voltage through a programmable gain Trans Impedance Amplifier (TIA)
- Controlled pulse current amplitude for two external LEDs
- Periodical measurement of four (optionally five) light sensor signals
- Periodical measurement of two (optionally one) rain sensor signals with environment light cancellation circuitry
- Rain channels environmental light measurement
- Die temperature measurement
- Power on reset and watchdog functionality
- Standby and sleep modes with low current consumption
- On-chip oscillator for system clock
- SPI interface
- Diagnostics circuitry according to ASIL-B
- Rain channels comply with ASIL-A
- NCV prefix for automotive and other applications requiring unique site and control change requirements; AEC-Q100 qualified and PPAP capable
- Pb-free and RoHS-compliant
Applications
- Rain sensor for wipers
- Ambient light sensor
- Front lighting
- Head−up display
Typical Application Schematic
Block Diagram
發佈日期: 2025-04-22
| 更新日期: 2025-04-29
