為了獲得最佳熱性能,onsemi NCV7755 採用 SSOP-24 裸露焊盤封裝。
特點
- 8x 高側通道
- 用於繼電器(反激式箝位)
- 燈泡(多脈衝浪湧方案)
- LED(內部 PWM 發生器)
- 2.3A 峰值電流(最大)
- RDS(on) 0.9Ω(典型),1.8Ω(最大值)
- 允許兩個輸出對並聯
- SPI 控制(16 位元)
- 幀錯誤檢測(16 位元 + 8n 位元)
- 具備菊花鏈功能
- 兩個輸入引腳,具有用於 PWM 操作的映射
- 睡眠模式下靜態電流低
- 帶自動重試功能的跛行回家模式
- 支援 VS 上最小 3V 啟動電壓
- 3.3V 和 5V 兼容的數碼輸入電源範圍
- 故障報告
- 開路負載(關或開)
- 超載
- 過溫
- 電源故障(VS、VDD欠壓)
- 輸出對 GND 和電池短路
- 反向極性保護
- 失去接地保護
- 上電復位(VDD)
- SSOP-24 帶有裸露焊盤
- 汽車 NCV 前綴
- 站點和變更控制
- AEC−Q100 合格
應用
- 汽車車身控制單元
- 汽車發動機控制單元
- 繼電器驅動器
- 燈泡驅動器
- LED 驅動器
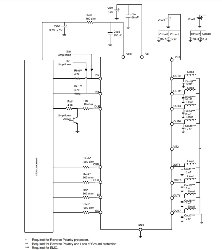
應用圖
框圖
發佈日期: 2023-01-30
| 更新日期: 2023-08-08

