特點
- 符合NVIDIA® OVR4+規格
- 最多支援4相
- 電力良好輸出
- 低電壓保護 (UVP)
- 過電壓保護 (OVP)
- 過電流保護 (OCP)
- 每相皆具備過電流保護
- 啟動至預充電負載,同時避免誤報OVP
- 可設定的自適應電壓定位 (AVP)
- 高效能運算誤差放大器
- 每相皆具備真正的差分電流平衡感測放大器
- 相間動態電流平衡
- 電流模式雙邊緣調變,可對瞬態負載做出快速初始回應
- 省電介面 (PSI)
- 具有使用者可設定閾值的自動相位遮蔽
- PWM_VID和I2C控制介面
- 輕巧型40腳位QFN可潤濕側翼封裝
- 濕度敏感等級 (MSL) 1
- 通過AEC-Q100 Grade 2審核
- 無鉛、無鹵素、無BFR,且符合RoHS指令
應用
- 汽車
- GPU和CPU電源
規格
- VRMP
- 供應電壓範圍:4.5V至20V
- UVLO範圍:3V至4.2V
- UVLO遲滯典型值:800 mV
- 偏壓電源
- 供應電壓範圍:4.6V至5.4V
- VCC靜態電流
- 啟用低電位時最大電流:40 μA
- 4相作業時的典型值:32 mA
- 單相DCM作業時的典型值:10 mA
- UVLO閾值範圍:4V至4.5V
- UVLO遲滯典型值:200 mV
- 切換頻率
- 範圍(4相):250 kHz至1.2 MHz
- 810 kHz時精度為±4%,所有範圍時精度為±10%
- 啟用輸入
- 輸入漏電流:±1.0 μA
- 閾值範圍:0.6V至1.2V
- DRON
- 輸出電壓範圍:0.1V至3.0V
- 上升時間典型值:160 ns
- 下降時間典型值:3 ns
- 內電阻
- 上拉典型值:2.0 kΩ
- 下拉典型值:70 kΩ
- PGOOD
- 最大輸出低電壓:0.4V
- 最大漏電流:0.2 μA
- 最大輸出電壓初始化時間:1.5 ms
- 輸出電壓斜坡時間範圍典型值:0.15 ms至10 ms
- 保護功能
- UVP閾值:250 mV至350 mV,延遲典型值:5 μs
- OVP閾值:360 mV至430 mV,延遲典型值:5 μs
- 過電流保護 (ILIM):9.5 μA至10.5 μA
- PWM輸出
- 上升/下降時間:10 ns
- 三態輸出漏電流:±1.0 μA
- 最短導通時間:12 ns(典型值)
- 0%工作週期典型值:1.3V
- 100%工作週期典型值:2.5V
- PWM相位角誤差:±15°
- 相位偵測計時器典型值:1.1 ms
- 誤差放大器
- 輸入偏壓電流範圍:±400 nA
- 開放迴路增益典型值:80 dB
- 開放迴路均一增益頻寬典型值:20 MHz
- 迴轉率典型值:5 V/μs
- 輸出電壓範圍:1V至3.5V
- 差分總和放大器
- 輸入偏壓電流範圍:±400 nA
- VSP輸入範圍:0V至2V
- VSN輸入:±0.3V
- -3 dB頻寬:27 MHz(典型值)
- 閉迴路DC增益典型值:1 V/V
- 壓降精度:78 mV至82 mV
- 輸出電壓範圍:0.8V至3V
- 電流感測放大器
- 偏移電壓:±500 µV
- 輸入偏壓電流:±7.5 µA
- 開放迴路增益典型值:80 dB
- 電流感測均一增益頻寬典型值:10 MHz
- CSCOMP輸出電壓範圍:0.1V至3.5V
- 電流平衡放大器
- 輸入偏壓電流:±50 nA
- 共模輸入電壓範圍:0V至2V
- 差分模式輸入電壓範圍:±100 mV
- 閉迴路輸入偏移電壓匹配:±1.5 mV
- 最小電流感測放大器增益:5.7 V/V,典型值:6.0 V/V
- 多相電流感測增益匹配:±3%
- -3 dB頻寬:8 MHz(典型值)
- IOUT
- 輸入參考偏移電壓:±3 mV
- 最大輸出電流:200 µA(典型值)
- 電流增益範圍:9.5 A/A至10.5 A/A
- 電壓參考
- 範圍:1.98V至2.02V
- 精度典型值:1%
- PSI
- 閾值範圍:0.575V至1.45V
- 輸入漏電流:±1 µA
- PWM_VID緩衝
- 閾值範圍:0.575V至1.21V
- 切換頻率:400 kHz至5000 kHz
- 輸出上升/下降時間典型值:3 ns
- 升緣/降緣延遲典型值:0.5 ns
- 傳播延遲典型值:8 ns
- 傳播延遲錯誤典型值:0.5 ns
- REFIN放電開關導通電阻典型值:10Ω
- I2C
- 輸入電壓範圍:0.5V至1.7V
- 遲滯典型值:80 mV
- 輸出低電壓:0.4V(最大值)
- 輸入電流:±1 µA
- 輸入電容典型值:5 pF
- 時脈頻率:400 kHz
- 最小啟動條件建立/保持時間:600 ns
- 最小資料建立時間:100 ns
- 最小資料保持時間:300 ns
- 停止條件建立時間:600 ns
- 作業溫度範圍:-40°C至+105°C
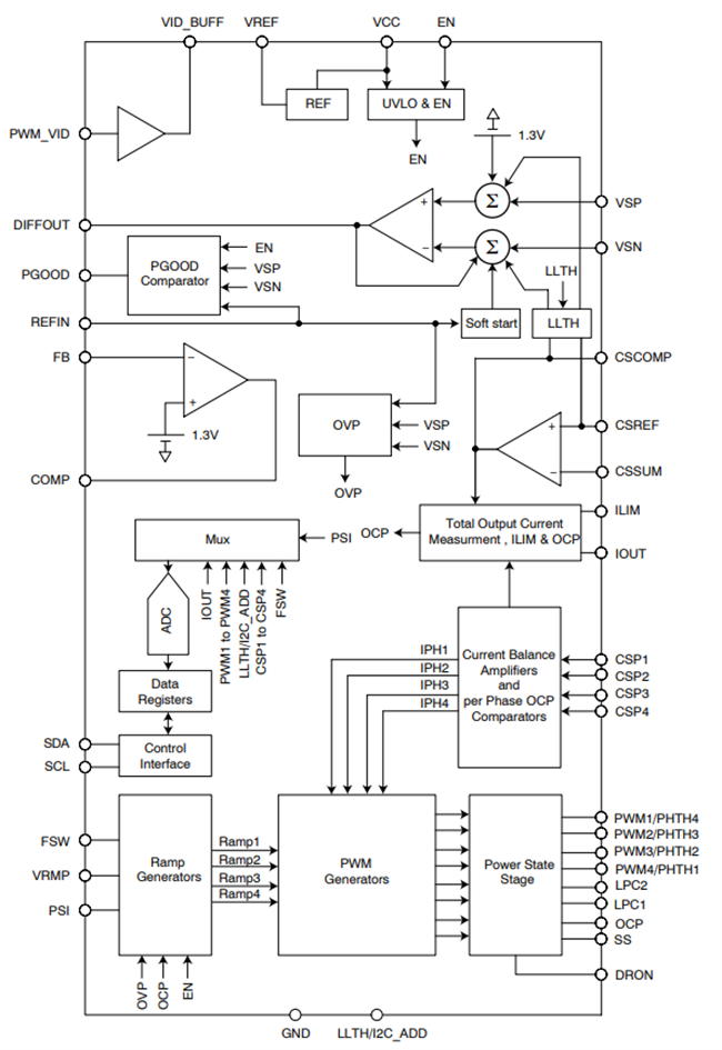
功能方塊圖
發佈日期: 2023-08-11
| 更新日期: 2023-10-25

