onsemi NCx575x0隔離式雙通道IGBT閘極驅動器

安森美 (onsemi) NCx575x0隔離式雙通道IGBT閘極驅動器提供從輸入到每個輸出5kVRMS的內部電流隔離,也提供兩個輸出通道之間的功能隔離。NCx575x0可在輸入側達到3.3V至20V的偏壓和訊號位準,在輸出側達到高達32V的偏壓。

安森美NCx575x0隔離式雙通道閘極驅動器允許輔助輸入,且提供獨立的停用 (NCx57540) 或啟用 (NCx57530) 和死區時間控制腳位,以方便系統設計。

NCx575x0驅動器採用CASE 752AJ SOIC−16寬體封裝,以強化通道間的隔離。

特點

  • 高峰值輸出電流(±6.5A、±3.5A)
  • 可配置為雙低側、雙高側或半橋驅動器
  • 為所有電源供應器提供嚴格的UVLO閾值
  • 從輸入到每個輸出2.5kVRMS或5kVRMS的電流隔離,以及輸出通道之間1.5kVRMS的差分電壓
  • 短傳播延遲,精準匹配
  • 邏輯輸入:3.3V、5V和15V
  • 可編程重疊或死區時間控制
  • 停用/啟用腳位,可關閉電源定序輸出
  • 短路時的IGBT閘極箝位

應用

  • 汽車
  • 工業
  • EV充電器
  • 不斷電系統 (UPS)
  • 工業電源供應器
  • 太陽能逆變器
圖表 - onsemi NCx575x0隔離式雙通道IGBT閘極驅動器

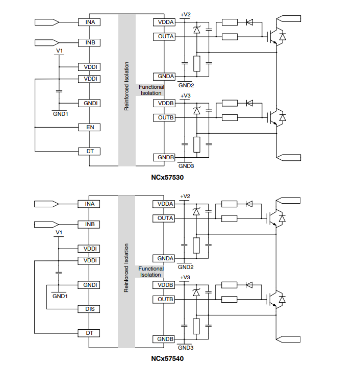
NCx57530簡化方塊圖

結構圖 - onsemi NCx575x0隔離式雙通道IGBT閘極驅動器

NCx57540簡化方塊圖

結構圖 - onsemi NCx575x0隔離式雙通道IGBT閘極驅動器

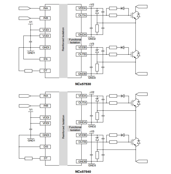
具死區時間的典型應用

應用電路圖 - onsemi NCx575x0隔離式雙通道IGBT閘極驅動器

不具死區時間的典型應用

應用電路圖 - onsemi NCx575x0隔離式雙通道IGBT閘極驅動器
發佈日期: 2022-11-14 | 更新日期: 2024-05-29