onsemi NFA3x512L72 Intelligent Power Modules

onsemi NFA3x12L72 Intelligent Power Modules (IPMs) are advanced modules that provide a fully-featured, high-performance inverter output stage for AC induction, BLDC, and PMSM motors. These modules integrate optimized gate drives of the built-in IGBTs to minimize EMI and losses while providing multiple on-module protection. The NFA3x12L72 modules include a built-in LVIC temperature-sensing for temperature monitoring. These protection features include Under-Voltage Lockouts (UVLO), over-current shutdown, thermal monitoring of drive IC, and fault reporting. The NFA3x12L72 modules feature 2500Vrms/1min isolation rating, 1200V collector-emitter voltage, and 25A each IGBT collector current. Typical applications include HVAC, heat pumps, commercial air conditioners, VFD, servo motors, robotics, variable frequency drives, and industrial automation.

Features

  • 1200V/15A 3-phase FS7 IGBT inverter with integral gate drivers and protections
  • Built-in Under-Voltage Protection (UVP)
  • Separated open-emitter pins from low−side IGBTs for three-phase current sensing
  • LVIC temperature-sensing built-in for temperature monitoring
  • 2500Vrms/1min isolation rating
  • Pb-free
  • RoHS-compliant

Applications

  • HVAC
  • Heat pumps
  • Commercial air conditioners
  • Industrial pumps and fans
  • VFD
  • Servo motors
  • Robotics
  • Variable frequency drive
  • Industrial automation

Internal Block Diagram

Block Diagram - onsemi NFA3x512L72 Intelligent Power Modules

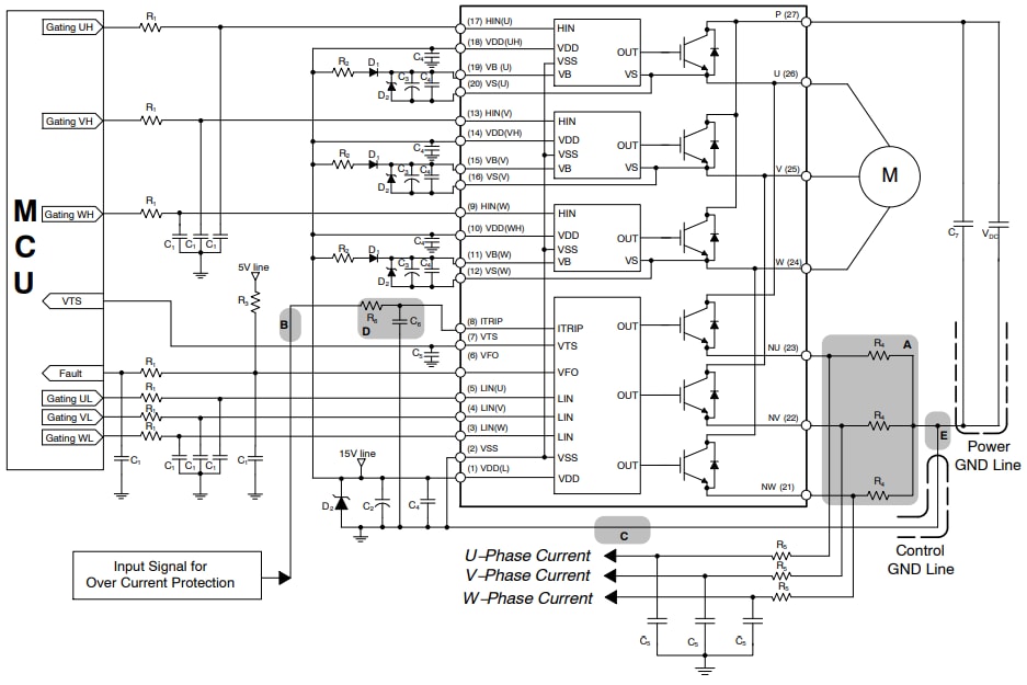
Typical Application Circuit Diagram

Application Circuit Diagram - onsemi NFA3x512L72 Intelligent Power Modules
發佈日期: 2024-07-26 | 更新日期: 2024-08-22