onsemi NL3X5004 Voltage-Level Translators
onsemi NL3X5004 Voltage-Level Translators are 4-bit 140Mb/s, configurable dual-supply autosensing bidirectional level translators that do not require direction control pins. The A- and B- ports are designed to track two different power supply rails, VCCA and VCCB, respectively, and are independently configurable from 0.9V to 3.6V. These devices include an active High Enable (EN) and come with a high dynamic output current capability, that allows the translators to drive high capacitive loads. The NL3X5004 features ESD protection for all pins with a 4000V Human Body Model (HBM). These level translators are ideal for mobile phones, infotainment systems, and other devices.Features
- 0.9V to 3.6V wide VCCA and VCCB operating range
- VCCA and VCCB are independent where VCCA may be greater than, equal to, or less than VCCB
- High 100pF capacitive drive capability
- High-speed with 140Mbps guaranteed date rate for VCCA and VCCB >1.8V
- Low bit-to-bit skew
- Overvoltage tolerant enable and I/O pins
- Non-preferential power-up sequencing
- Partial power-off protection
- UQFN-12, SOIC14, TSSOP14, and QFN-14 package options
- -Q suffix for automotive and other applications requiring unique site and control change requirements
- AEC-Q100 qualified and PPAP capable
- Pb-free, halogen-free/BFR-free, and RoHS-compliant
Applications
- Smartphones
- Automotive instrumentation panels
- Automotive body control modules
- Infotainment systems
- Industrial
- Automotive
- Telecom
- Personal electronics
Typical Application Circuit
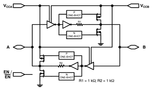
Functional Diagram (1 I/O Line)
Logic Diagram
發佈日期: 2024-09-30
| 更新日期: 2025-02-04
