onsemi NVXR22S90M2SPx EliteSiC Power Modules
onsemi NVXR22S90M2SPx EliteSiC Power Modules offer improved performance, efficiency, and power density in compact and compatible packaging. The onsemi NVXR22S90M2SPx modules feature a 900V SiC MOSFET in a six-pack configuration, with press-fit pins for easy assembly and enhanced reliability. The devices include an optimized pin-fin heatsink on the baseplate and utilize sintering technology for reliability and thermal efficiency. The module is designed to meet the AQG324 automotive standard.Features
- Direct cooling with integrated pin-fin heatsink
- Silicon Nitride isolator
- Tvj.Max = +175°C for continuous operation
- Automotive grade SiC MOSFET chip technologies
- Sintered die technology for high-reliability performance
- Easy to integrate 6-pack topology
- Automotive module AQG324 compliant
- Pb-free and RoHS-compliant
Applications
- Converter DC battery output to power AC traction motors
- High-power DC-DC converters
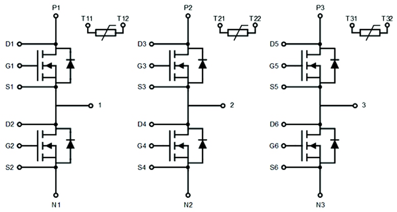
Pin Description
發佈日期: 2024-02-05
| 更新日期: 2024-06-18
