ROHM Semiconductor BM6GD11BFJ-LB 1-Channel Gate Driver

ROHM Semiconductor BM6GD11BFJ-LB 1-Channel Gate Driver with built-in isolation is capable of driving GaN HEMTs at high speeds. This gate driver features a 2500VRMS isolation voltage, 60ns maximum input/output delay time, and a 65ns minimum input pulse width. The BM6GD11BFJ-LB gate driver consists of an Under-Voltage Lockout (UVLO) function on the input side (between VCC1 and GND1) and the output side (between VCC2 and GND2). This gate driver is available in SOP-JW8 package in 4.9mm x 6mm x 1.65mm dimensions. The BM6GD11BFJ-LB gate driver is used in industrial equipment, GaN HEMT gate drives, AC adapters, and server power supply applications.

Features

  • Built-in galvanic isolation
  • Under-Voltage Lockout (UVLO) function
  • 2500VRMS isolation voltage
  • 60ns maximum input/output delay time
  • 65ns minimum input pulse width

Applications

  • Industrial equipment
  • GaN HEMT gate drives
  • AC adapters
  • Server power supplies

Basic Application Circuit Diagram (High-side GaN HEMT driver)

Application Circuit Diagram - ROHM Semiconductor BM6GD11BFJ-LB 1-Channel Gate Driver

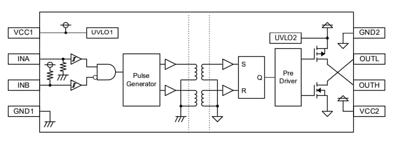
Block Diagram

Block Diagram - ROHM Semiconductor BM6GD11BFJ-LB 1-Channel Gate Driver
發佈日期: 2025-05-15 | 更新日期: 2025-06-26