Qorvo QPA2225 28-38GHz 0.4W GaN Driver Amplifier
Qorvo QPA2225 28-38GHz 0.4W GaN Driver Amplifier is fabricated with Qorvo's 0.15um GaN on SiC process (QGaN15). The amplifiers cover 28–38GHz and provide> 0.4W of saturated output power with >22dB of small-signal gain. The QPA2225 dimensions are 4mm x 3mm x 2mm. It can support a variety of operating conditions to support system requirements. With good thermal properties, it can support a range of bias voltages.Features
- Frequency range 28 –40GHz
- Power (Pin = 14 dBm) 26dBm
- Large signal gain (Pin = 14dBm) 12dB
- Small signal gain 22dB
- IM3 (Pout / Tone = 20 dBm) -20dBc
- Bias VD = +20 V, IDQ = 64mA, VG = - 2.5V typ.
- Package dimensions 4mm x 3mm x 2mm
Applications
- Wide band communications
- Radar
- Satellite communications
- Electronic warfare
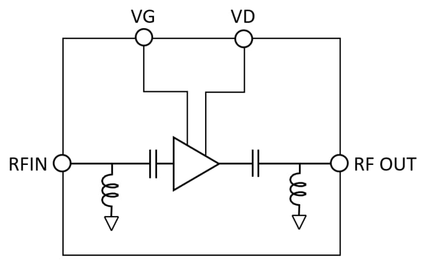
Block Diagram
發佈日期: 2022-02-28
| 更新日期: 2022-05-02
