Qorvo QPA9908EVB01 925-960MHz Evaluation Board
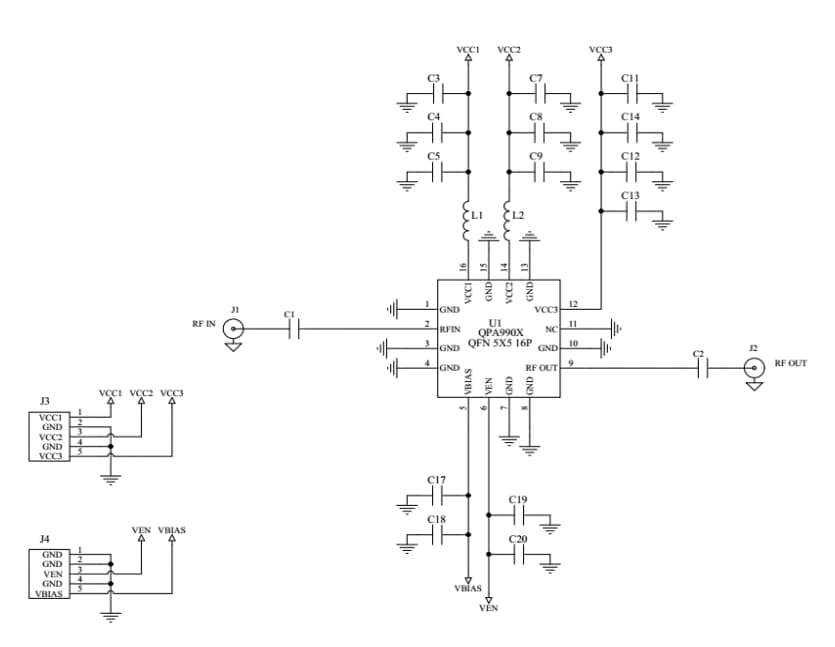
Qorvo QPA9908EVB01 925MHz to 960MHz Evaluation Board is configured to evaluate the operation of the QPA9908. The QPA9908 is a high-efficiency, linearizable power amplifier targeting Band 8 small-cell wireless infrastructure systems. The QPA9908 is housed in a 5mm x 5mm SMT package and is pin-to-pin compatible to QPA9903 (band 3 high-efficiency small cell PA).Schematic
Videos
發佈日期: 2019-09-06
| 更新日期: 2023-11-29
