Qorvo QPB8858 RF Amplifier
Qorvo QPB8858 RF Amplifier is a GaAs pHEMT/MESFET 75Ω push-pull RF amplifier IC that features 34dB of flat gain and low noise. The QPB8858 amplifier offers low noise and low distortion at a high efficiency that consumes only 7W in a 5mm x 7mm QFN package. Qorvo QPB8858 RF Amplifier is designed to support DOCSIS 3.1 applications up to 1218MHz using a single 24V supply. Applications include DOCSIS 3.1, broadband CATV hybrid modules, head end CMTS equipment, and 75Ω amplifiers.Features
- High gain 34dB @ 1218MHz
- Adjustable bias
- 47MHz to 1218MHz bandwidth
- 47dBmv/ch flat
- 4dB of low noise
- -40°C to +100°C operating temperature range
- Excellent composite distortion
- pHEMT / MESFET device technologies
- Compact size with 40-pin 5mm x 7mm QFN package
- 290mA to 7W power consumption
Applications
- DOCSIS 3.1
- Broadband CATV hybrid modules
- Head-end CMTS equipment
- 75Ω amplifiers
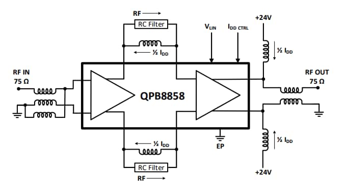
Block Diagram
Typical Application Schematic
發佈日期: 2018-11-14
| 更新日期: 2023-02-02
