Qorvo QPB9351 1.7GHz to 2.7GHz Dual Channel Rx VGAs
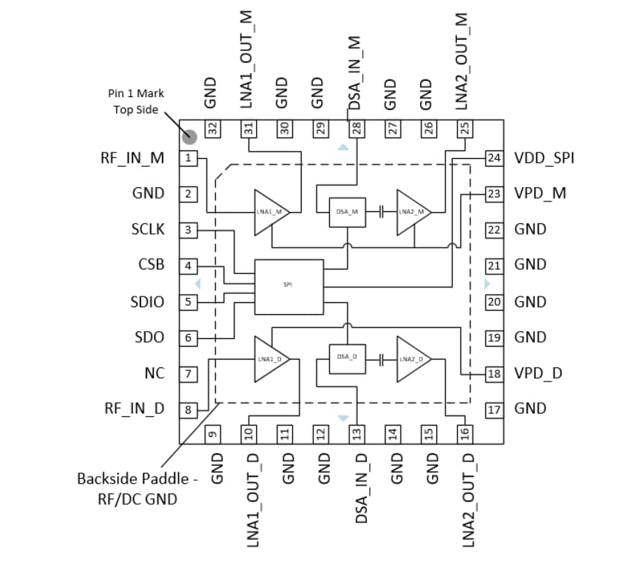
Qorvo QPB9351 1.7GHz to 2.7GHz Dual Channel Rx VGAs are developed for high-performance macro base station receivers. The highly integrated Rx front-end module combines high-performance first-stage low noise amplifiers (LNA), digital step attenuators (DSA), and a second-stage LNA in a dual-channel configuration. The RX VGA SiP (receive variable gain amplifier system in package) offers power-down capability for the amplifiers, which can be controlled via dedicated shutdown pins for each channel. The LNAs utilize Qorvo’s high-performance E-pHEMT process to supply a 0.4dB noise figure for the first stage LNA. Gain control is implemented through a 31dB range DSA in 1dB steps.The QPB9351 is available in a RoHS-compliant, compact 5mm x 5mm 32-pin surface-mount leadless package.
Features
- 1.7GHz to 2.7GHz frequency range
- Integrates LNAs, DSA
- Dual channel configuration
- Integrated shutdown capability
- LNA1 at 0.4dB NF, 16.5dB Gain, 38dBm OIP3
- 31dB gain control range, 1dB step size
- +5V supply voltage
- SPI control interface
- +1.8V logic
Applications
- Wireless infrastructure
- Diversity receivers
- TDD or FDD systems
Functional Block Diagram
發佈日期: 2024-05-31
| 更新日期: 2024-06-07
