Qorvo QPC7335 RF Development Tool

Qorvo QPC7335 RF Development Tool is designed to evaluate QPC7335 variable equalizers that operate from 45MHz to 1002MHz frequency bandwidth. These Qorvo equalizers consume low power and offer an 18dB slope range and low insertion loss.

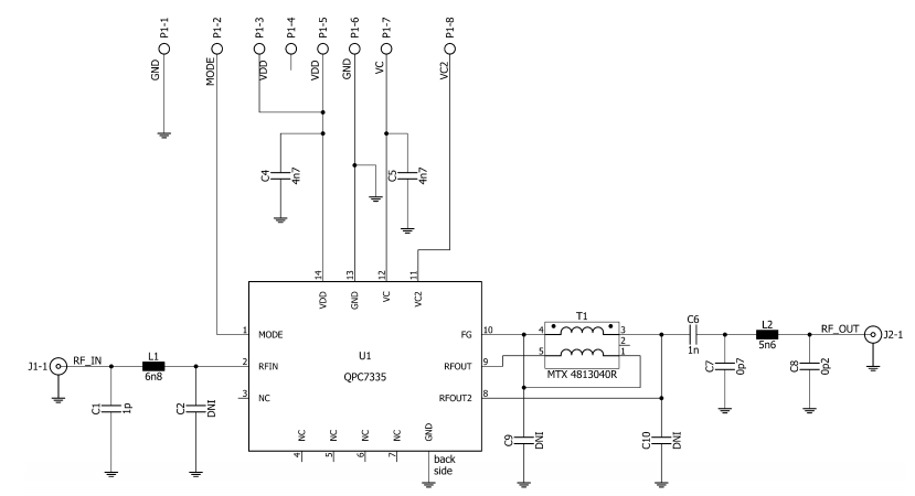
Schematic

Schematic - Qorvo QPC7335 RF Development Tool
發佈日期: 2020-05-11 | 更新日期: 2024-08-21