Renesas Electronics ISL94202 Li-ion Battery Pack Monitor
Renesas / Intersil ISL94202 Li-ion Battery Pack Monitor is a charge/discharge path Li-ion battery monitor IC that supports 3 to 8 series connected cells. These ICs provide complete battery monitoring and pack control. Renesas ISL94202 provides automatic shutdown and recovery from out-of-bounds conditions and automatically controls pack cell balancing. This battery pack monitor is highly configurable as a stand-alone unit but can be used with an external microcontroller, which communicates to the IC through an I2C interface.Features
- Eight cell voltage monitors support Li-ion CoO2, Li-ion Mn2O4, and Li-ion FePO4 chemistries
- Stand-alone pack control - no microcontroller needed
- Multiple voltage protection options (each programmable to 4.8V, 12-bit digital value)
- Selectable overcurrent protection levels
- Programmable detection/recovery times for overvoltage, undervoltage, overcurrent, and short-circuit conditions
- Open battery connect detection
- Integrated charge/discharge FET drive circuitry with built-in charge pump supports high-side N-channel FETs
- Cell balancing uses external FETs with an internal state machine or external microcontroller
- Configuration/calibration registers maintained in EEPROM
- Enters low power states after periods of inactivity
- Charge or discharge current detection resumes normal scan rates
Applications
- Power tools
- Battery back-up systems
- Light electric vehicles
- Portable equipment
- Energy storage systems
- Solar farms
- Medical equipment
- Hospital beds
- Monitoring equipment
- Ventilators
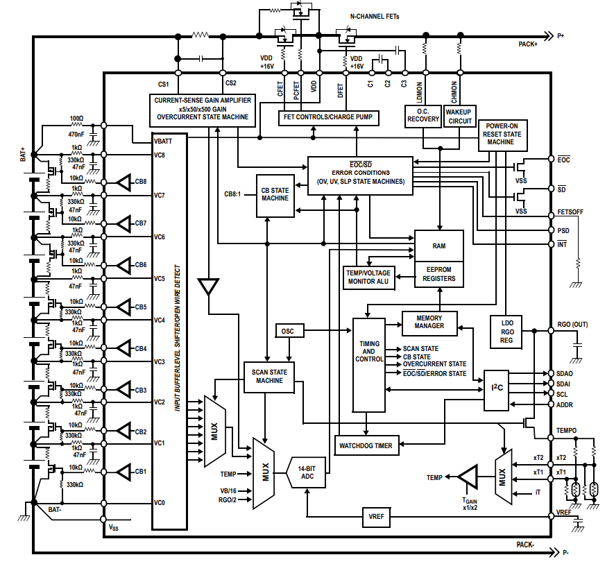
Block Diagram
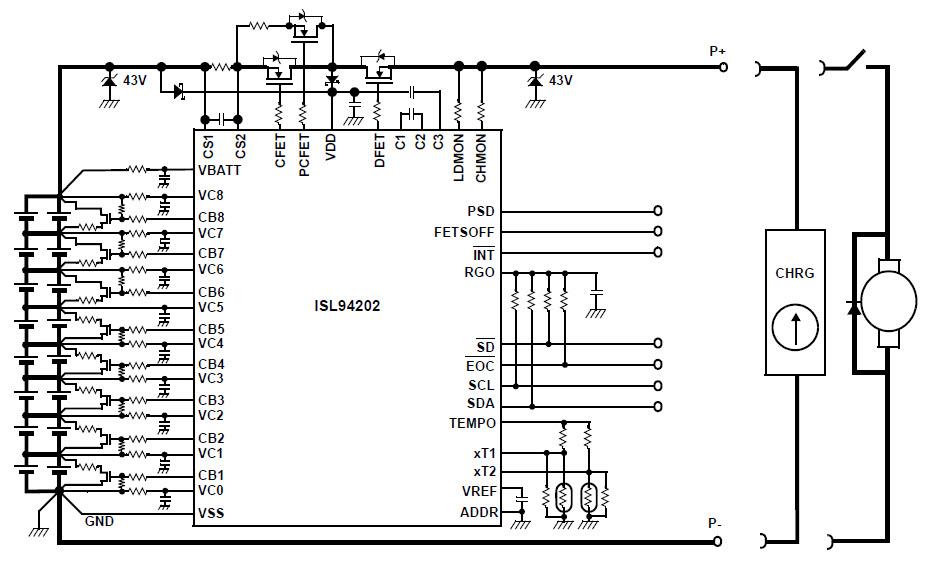
Application Circuit Diagram
發佈日期: 2019-03-08
| 更新日期: 2023-10-10
