Renesas Electronics ISL81802雙同步降壓控制器
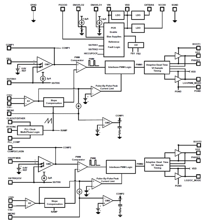
Renesas Electronics ISL81802雙同步降壓控制器設計用於生成兩個獨立輸出或一個具有兩個交錯相位的輸出。這些控制器具有峰值電流模式控制功能,可對兩個輸出進行相位交錯。ISL81802控制器還具有可編程設計軟啟動及精確閾值使能功能,設有電源良好指示器,可簡化電源軌排序。這些控制器的工作輸入電壓範圍為4.5V至80V,可編程設計頻率範圍為100kHz至1MHz,關斷電流低至5µA。ISL81802控制器提供過壓保護(OVP)、欠壓保護(UVP)、一次性可編程設計記憶體(OTP)以及兩路輸出的平均及峰值電流限制,實現高可靠性。這些控制器用於電信、資料中心、汽車電子、工業設備及電源系統等應用。特點
- 可編程軟啟動
- 支援啟動至預偏置軌
- 外部時鐘同步
- 輸出電流監控器
- 恒定輸出電壓及輸出電流回饋環路控制
- 輸入電壓範圍:4.5V至80V
- 輸出電壓範圍:0.8V至76V
- 低關機電流:5µA
- 可編程設計頻率範圍:100kHz至1MHz
- 精確EN/UVLO閾值:±2%
應用
- 電訊
- 伺服器及資料中心
- 汽車電子產品
- 工業設備
- 電源系統
結構圖
典型應用圖
發佈日期: 2020-12-17
| 更新日期: 2023-12-11
