Renesas Electronics RAA306012 3相智慧型閘極驅動器
Renesas Electronics RAA306012 3相智慧型閘極驅動器專為3相無刷DC馬達設計。Renesas Electronics RAA306012整合三個半橋閘極驅動器,能驅動最多三個N通道MOSFET橋,電壓範圍為6V至65V。每個驅動器支援0.64A源極峰值和1.28A汲極峰值驅動電流,可透過驅動強度控制進行調整。自適應死區時間強化了穩健性,能防止米勒效應引起的交叉傳導。裝置整合了內部電路的電源供應器、閘極驅動器以及外部微控制器的專用電源。此外,也具備低功耗睡眠模式,耗電量僅28 μA,能延長可攜式應用的電池使用壽命。特點
- 作業供電電壓
- VBRIDGE:6V至65V(78V絕對最大值)
- VM:6V至60V(65V絕對最大值)
- 環境作業溫度:-40°C至125°C
- BLDC應用的3相閘極驅動器
- 切換頻率範圍最高200 kHz
- 0.64A源極峰值電流/1.28A汲極峰值電流,可透過SPI介面調整16段驅動強度
- 自適應且可調整的死區時間
- 彈性的閘極驅動器組態
- 3相HI/LI模式和3相PWM模式
- 輸入控制訊號組態
- 支援半橋、全橋組態
- 全整合式電源供應器架構
- 兩個VCC LDO,可啟用低IQ的睡眠模式
- 由500 mA降壓開關穩壓器產生驅動電壓(5V至15V可調)
- 由100 mA可調整式輸出LDO為MCU供電
- 三個精準差分放大器
- 四級感測增益設定
- 支援通電和即時DC的偏移校正
- 用於無感測器馬達驅動的BEMF感測放大器
- 用於霍爾感測器馬達驅動的三個比較器
- 整合保護功能
- VM過壓/欠壓鎖定 (VM_OV/UVLO)
- 電荷泵欠壓 (VCP_UV)
- 降壓穩壓器故障(VDRV_OV/UV、SR_OCP)
- MOSFET VDS OCP (VDS_OCP)
- 電流感測OCP (CS_OCP)
- MOSFET VGS故障 (VGS_FAULT)
- 過熱警報/關機 (TWARN/OTSD)
- 故障指示器(nFAULT腳位)
- 7 mm × 7 mm 48 Ld QFN封裝(0.5 mm間距)
應用
- 電動工具與園藝工具
- 印表機
- 吸塵器
- 風扇
- 幫浦
- 機器人
影片
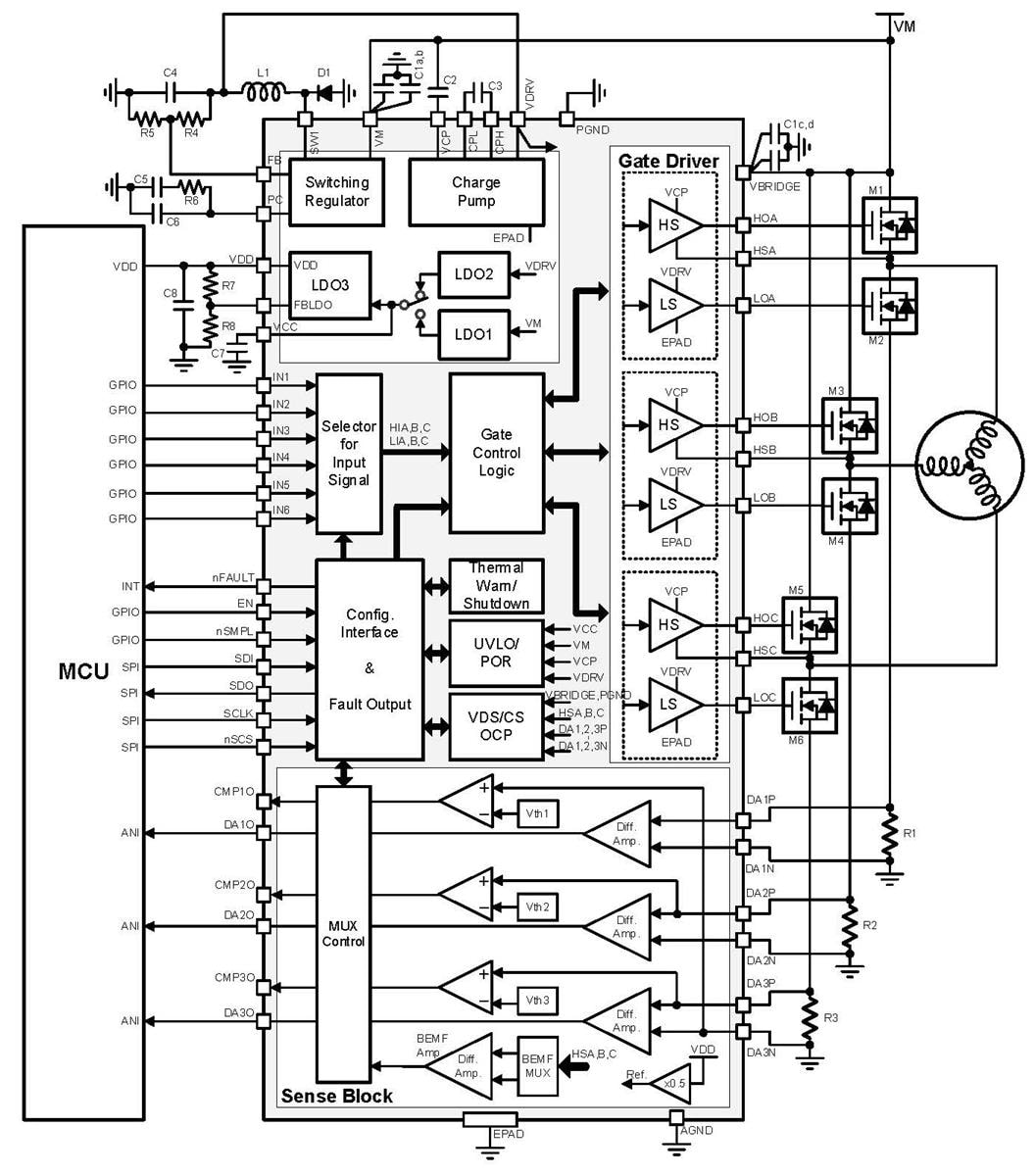
典型應用電路
發佈日期: 2023-12-05
| 更新日期: 2024-02-07
