Renesas Electronics RAA489118降壓升壓電池充電器
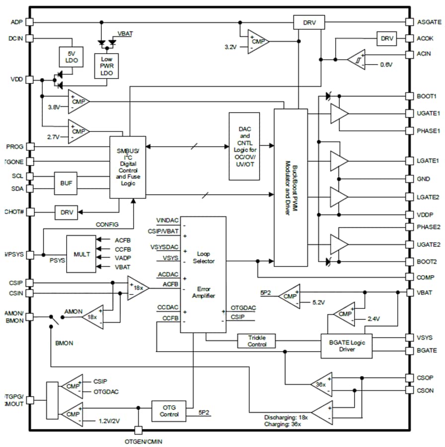
Renesas Electronics RAA489118 Buck-Boost Battery Charger is a 7S battery charger with a 30V input voltage. The RAA489118 supports a broad range of input and output voltages, making it versatile for use in different voltage battery packs and with various PD adapters. The RAA489118 has built-in protection mechanisms against overcharging, overheating, and voltage anomalies, contributing to the battery's and the device's safety and longevity. When used with the Renesas Electronics RAA489400, it enables power to be transferred bi-directionally from the source to the load and vice versa.特點
- 適用於二至七節電池、高達30V電壓的升降壓充電器
- 輸入電壓範圍:3.9V至30V (沒有死區)
- 透過電池進行反向降壓、升壓和升降壓運作
- 自主充電選項 (自動完成充電)
- 順向時支援直通模式
- 配接器電流和電池電流監測器 (AMON/BMON)
- 4mm × 4mm 32引線TQFN封裝
- Renesas R3™技術提供高效率的輕負載運作和快速的暫態反應
- SMBus介面,易於系統整合
- 雙向降壓-升壓操作是USB-PD DRP應用的理想選擇
- 選購的BFET可分離系統電壓和電池電壓
應用
- 電動工具
- 可攜式吸塵器
- 電池供電型割草機
- 無人機
- 行動電源
- 個人發電站
- 二至七節電池供電的平板電腦
- 超極緻筆記型電腦、筆記型電腦以及任何需要電池的USB-C™介面可攜式裝置
方塊圖
發佈日期: 2024-11-20
| 更新日期: 2026-01-06
