Renesas Electronics RAJ30610x Motor Control ICs

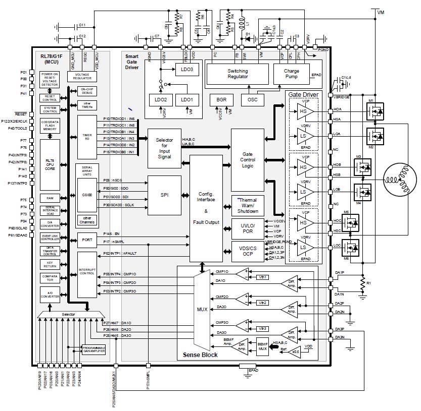
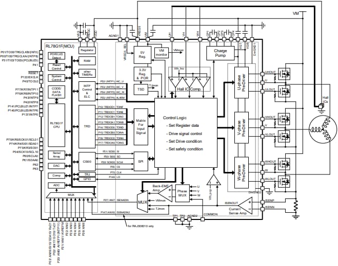
Renesas Electronics RAJ30610x Motor Control ICs are designed for 3-phase brushless DC motors. The Renesas Electronics RAJ30610x integrates a built-in MCU (RL78/G1F) and a pre-driver with features like three half-bridge gate drivers, a 5V regulator, and a current sense amplifier. The RAJ306102 consolidates a smart gate driver (RAA306012) and MCU (RL78/G1F) into a single package. The smart gate driver includes three half-bridge gate drivers, a buck-switching regulator, a charge pump for gate drive voltage, and two LDOs for internal circuitry.

Features

  • RAJ306001
    • 6V to 30V operating power supply voltage
    • RAJ306001 TA = -40°C to +85°C operating temperature
    • RAJ306001Z TA = -40°C to +105°C  
    • Low power consumption VM current (excluding 5V/7V regulator and charge-pump): [MCU block]: +5.2mA (HS Mode: fIH = 32MHz, VDD = 5V) [pre-driver block]: + 13.5mA [VM = 22.5V] VM standby current: 64µA (typ.)
    • 16-bit CISC CPU (RL78/G1F) CPU
    • 64KB, Data Flash 4KB, RAM: 5.52KB Flash ROM
    • 2ch, SPI, 2ch, IIc, 2ch, UART: 1ch GSI
    • TimersTimer array unit: 1 unit – 16-bit, 4ch
    • Timer RD for motor control – 16-bit, 2ch
    • Timer RG with encoding function – 16-bit, 1ch
    • 64MHz motor control input capture timer (Timer RX)
    • 10-bit resolution A/DC converter: 9ch
    • GPIO : 28ch, port for input : 2ch
    • Built-in 5V regulator
  • RAJ306102
    • Operating power supply voltage
      • VBRIDGE: 6V to 65V (78V abs max)
      • Voltage max (VM): 6V to 60V (65V abs max)
    • -40°C to 105°C operating ambient temperature
    • Supply current
      • MCU, VDD current
        • HS mode, fIH = 32MHz: 5.2mA
      • Smart gate driver
        • Operating Mode: 2mA, Sleep Mode: 28μA
    • Extensive protection functions
    • 16-bit CISC CPU
    • 64KB, Data flash: 4KB, RAM: 5.5KB
    • Serial array unit: 2 units (CSI: 2ch, UART: 1ch, I2C: 2ch)
    • GPIO: 29 channels - I/O: 27ch, Input: 2ch
    • Timer array unit: 1 unit - 16-bit, 4ch
    • 10-bit resolution A/D converter input: 11ch
    • External interrupt input: 10ch

Applications

  • Cordless power tools
  • Outdoor power equipment
  • Vacuum cleaners
  • Fans
  • Pumps
  • Robotics
  • Medical equipment

Block Diagrams

發佈日期: 2023-12-05 | 更新日期: 2024-01-25