RF Solutions ZPT Smart Radio Telemetry Modules

RF Solutions ZPT Smart Radio Telemetry Modules provide an easy plug-and-play remote control feature for any application. RF Solutions ZPT smart radio telemetry modules offer a serial and digital output when the transmitter is operated. The device is compatible with many RF solutions transmitters, creating a versatile and secure radio telemetry switch.

Features

  • 4-channel receiver module
  • Four digital outputs
  • Serial data output
  • Minimal external components
  • Secure data protocol
  • 1.8V to 3.6V ultra-low power
  • Easy pairing process
  • -121dBm receive sensitivity
  • Range when used with
    • Up to 150m (FOBBER key fob)
    • Up to 1000m (TRAP handset)
    • Up to 2000m (SABRE handset)
  • SMT or SIL package
  • Incorporates self-test mode
  • CE compliant for EU license-free use

Applications

  • Remote control
  • Sensors
  • I/O telemetry devices
  • Remote switching
  • Remote traffic lights

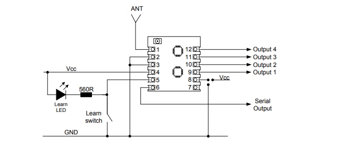
Application Circuit

Application Circuit Diagram - RF Solutions ZPT Smart Radio Telemetry Modules

ZPTModule Re-Flow Guide

Chart - RF Solutions ZPT Smart Radio Telemetry Modules
發佈日期: 2019-07-09 | 更新日期: 2024-01-30