ROHM Semiconductor Quasi-Resonant BD768xFJ DC/DC Converter ICs
ROHM Semiconductor Quasi-Resonant BD768xFJ DC/DC Converter ICs provide an optimum system for all products that include an electrical outlet. The quasi-resonant operation enables soft switching and helps keep EMI low. The built-in brownout function monitors input voltage as part of system optimization while the burst mode function reduces input power at low power. ROHM Quasi-Resonant BD768xFJ DC/DC Converter ICs offer various protection functions, such as soft-start, per-cycle overcurrent protection circuit, overvoltage protection (OVP), undervoltage lockout (UVLO), overload protection, and more. Applications include industrial equipment, AC adaptors, and household appliances.Features
- Pin 8: SOP-J8 package (4.90mm x 6mm x 1.65mm, 1.27mm pitch)
- Quasi-resonant type (low EMI)
- Frequency reduction mode
- Low 19μA current consumption during standby
- Low current consumption when no load (burst operation when light load)
- 120kHz maximum frequency
- CS pin leading-edge blanking
- VCC UVLO
- VCC OVP
- ZT OVP
- ZT trigger mask function
- Per-cycle overcurrent protection circuit
- Soft start
- Voltage protection function (brown out)
- Gate-clamp circuit
Applications
- Industrial equipment
- AC adapters
- Household appliances
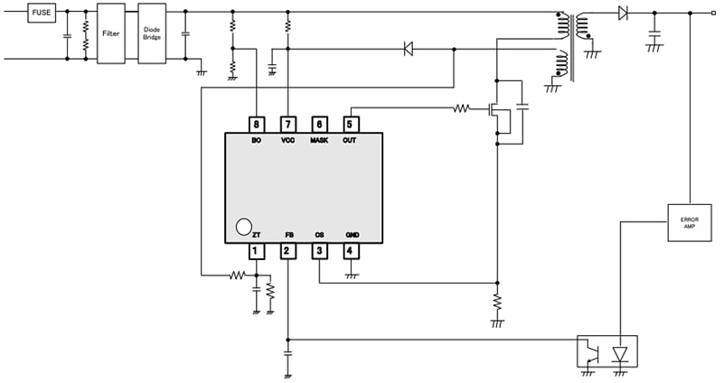
Typical Application Circuit
Videos
Additional Resources
發佈日期: 2015-06-29
| 更新日期: 2022-03-11
