ROHM Semiconductor BD9V101MUF-EVK-001 Evaluation Board

ROHM BD9V101MUF-EVK-001 Evaluation Board is configured to evaluate the operation of the BD9V101MUF-LB. The BD9V101MUF-LB is a current mode synchronous buck converter that uses high voltage rated power MOSFETs. ROHM BD9V101MUF-EVK-001 Evaluation Board features an output voltage of 5.0V (typ.) and an output current of 1.0A. The board does not have any switches or settings to configure resulting in ease-of-use.

Features

  • FR-4 material
  • 1.6mm board thickness
  • 1oz copper thickness
  • 80mm x 100mm board size
  • 0.15mm minimum copper width
  • 0.15mm minimum air gap
  • 0.3mm minimum hold gap

Applications

• Industrial equipment
• Consumer supplies

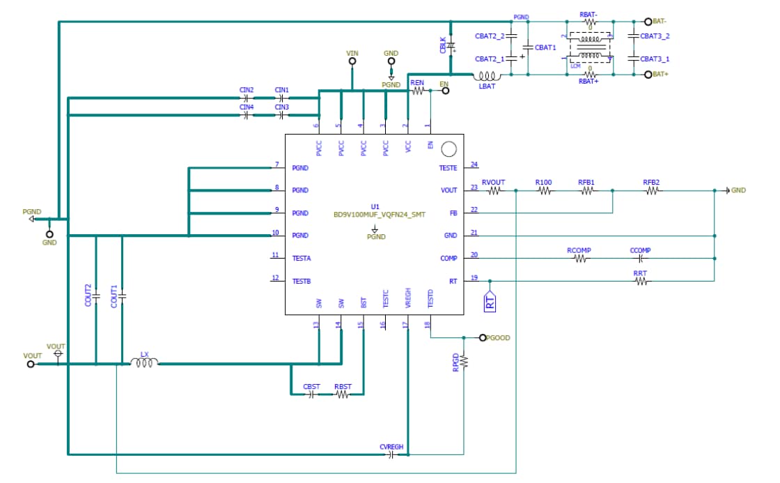
Schematic

Schematic - ROHM Semiconductor BD9V101MUF-EVK-001 Evaluation Board

Layout

Location Circuit - ROHM Semiconductor BD9V101MUF-EVK-001 Evaluation Board
發佈日期: 2019-05-09 | 更新日期: 2024-01-24