ROHM Semiconductor BM61S41RFV-EVK002 Evaluation Board
ROHM Semiconductor BM61S41RFV-EVK002 Evaluation Board drives two SiC power devices and is designed to evaluate a BM61S41RFV-C driver. The BM61S41RFV-C IC is a gate driver with an isolation voltage of 3750Vrms. The BM61S40RFV-C IC incorporates the Under-Voltage Lockout (UVLO) and Active Miller Clamp function. ROHM Semiconductor BM61S41RFV-EVK002 evaluation board provides 4.5V to 5.5V input-side power supply and 16V to 24V output-side power supply voltage.Features
- 4.5V to 5.5V input-side power supply voltage
- 16V to 24V output-side power supply voltage
- Active Miller Clamping for gate control
- Under-Voltage Lockout (UVLO) function at input-side and output-side
Dimension Diagram
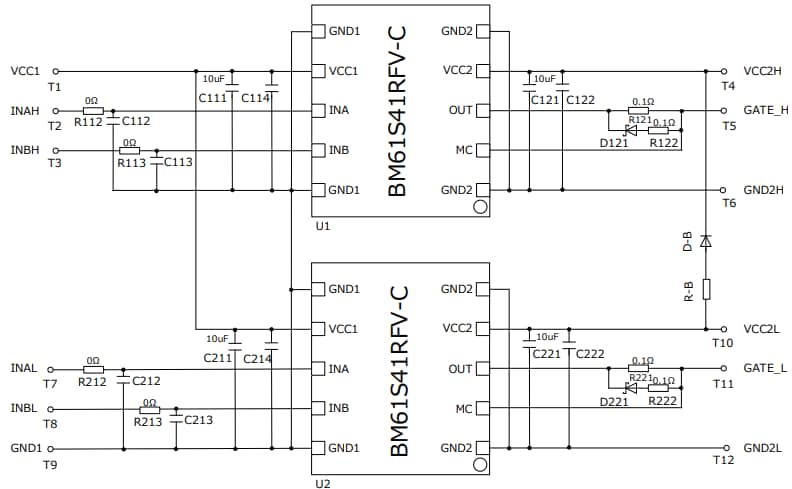
Schematic Diagram
Additional Resource
發佈日期: 2020-02-18
| 更新日期: 2024-09-24
