ROHM Semiconductor RB-D62Q1542TB52 Reference Board

ROHM Semiconductor RB-D62Q1542TB52 Reference Board is a development platform designed to showcase and leverage the capabilities of the LAPIS ML62Q1542 CMOS 16-bit RISC microcontroller. Engineered for efficiency and versatility, this board facilitates the evaluation and development of embedded applications in domains such as home automation, industrial control, consumer electronics, and the Internet of Things (IoT). The ML62Q1542 MCU features a robust 16-bit RISC architecture, low power consumption, and a comprehensive set of peripherals, including timers, communication interfaces, and analog-to-digital converters (ADCs).

The ROHM Semiconductor RB-D62Q1542TB52 board supports advanced development tools like the LEXIDE-U16 integrated development environment and the EASE1000 V2 on-chip emulator for seamless debugging and programming. With its compact 52-pin TQFP package, the RB-D62Q1542TB52 offers developers a practical and efficient solution for prototyping and advancing innovative embedded systems.

Features

  • Provided with the LAPIS ML62Q1542 CMOS 16-bit RISC MCU, 52-pin TQFP
  • Mounted with the linked connector to EASE1000
  • Through-holes for connecting the pins of LSI to external peripheral boards
  • Selectable power supply, supplied from the on-chip emulator EASE1000 or CN1_3pin/CN2_2pin
  • Mounted LED (P20, P21, P22)
  • Mounted 32.768KHz crystal
  • Low power consumption
  • Internal flash memory and RAM
  • Flexible I/O and communication interfaces
  • Real-time processing
  • 1.6V to 5.5V operating supply range
  • Compact form factor, 56mm x 94mm x 15mm (WxDxH) size

Applications

  • Home appliances
  • Industrial automation
  • Consumer electronics
  • Healthcare and medical devices
  • Internet of Things (IoT) and smart devices
  • Automotive
  • Embedded systems

Overview

Location Circuit - ROHM Semiconductor RB-D62Q1542TB52 Reference Board

Power Circuit

Location Circuit - ROHM Semiconductor RB-D62Q1542TB52 Reference Board

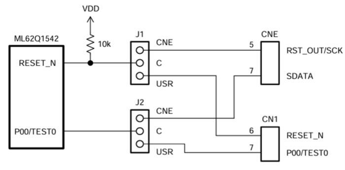
EASE1000 Interface

Location Circuit - ROHM Semiconductor RB-D62Q1542TB52 Reference Board

PCB Layout

Location Circuit - ROHM Semiconductor RB-D62Q1542TB52 Reference Board
發佈日期: 2024-12-27 | 更新日期: 2024-12-31