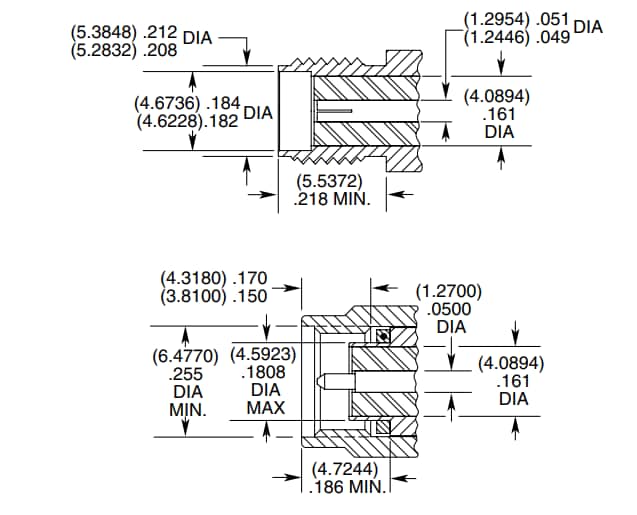
Samtec PRF01 Precision SMA Cable Connectors
Samtec PRF01 Precision SMA Cable Connectors offer a performance rating of up to 18GHz and a direct solder or solder clamp design. The PRF01 series from Samtec features cable connectors for cable varieties ranging from .047 to .277 with low-loss flexible or semi-rigid construction.Features
- Performance up to 18GHz
- Direct solder or solder clamp
- Designed for cable varieties from .047 to .277
- Low loss flexible or semi-rigid cables
Interface Standard
發佈日期: 2022-05-03
| 更新日期: 2022-05-04
