Diodes Incorporated PI2DPT821 Retimer
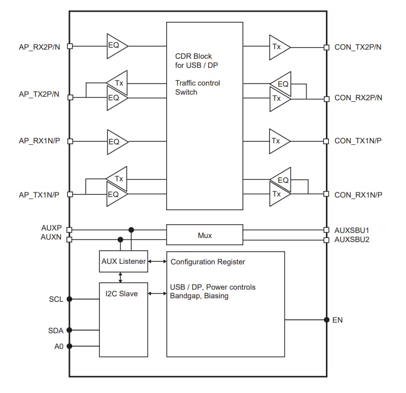
Diodes Incorporated PI2DPT821 Retimer is a bit-level retimer with receiver adaptive CTLE and transmitter 2-tap equalization. This retimer can compensate for channel loss up to -18dB for 4.05GHz signal transmission. The PI2DPT821 supports DP1.4 and USB3.2 Gen1 standards for USB Type-C® DP ALT mode operation. Available in operation configurations like programmable through the I2C interface to select 4-lane DP, 2-lane DP/1-lane USB3.2 Gen1, and one or 2-lane USB3.2 Gen1. This bit-level retimer uses the standard 1.8V Vdd power supply for good power-saving management. The PI2DPT821 retimer complies with USB link power management states for active mode (U0) and power saving mode (U1, U2, and U3).The PI2DPT821 retimer features very low latency from signal input to output (<1ns), ensuring interoperability among various USB and DP devices. This bit-level retimer is lead-free, fully RoHS compliant, and comes in an X1QFN (XEA32) package. Typical applications include tablets, smartphones, notebooks, desktops, and all-in-one PCs.
Features
- Compliant for USB 5Gbps/DP1.4 8.1Gbps standard
- DP Alt standard mode support; DP 4-lane, USB 1 lane/DP 2 lane, USB 2 lane retimer normal/flip insertion
- -18dB at 4.05GHz channel loss compensation
- Low latency <1ns
- Adaptive Continuous Time Linear Equalizer (CTLE)
- No reference clock design
- Rx termination detection for power-saving control
- Selectable adjustment of the 2-tap transmitter
- Single power supply of 1.8V± 90mV
- Supports USB3.2 Gen1 retiming mode
- 650mW active power consumption for 2-lane DP and 2-channel USB 5Gbps operating mode
- <500μW target in power-down mode
- Supports DP RBR, HBR, HBR2, and HBR3 retiming mode
- DP AUX channel listening (snooping) support for auto channel adjustment and D3 power-down mode
- Lead-free and fully RoHS compliant
- Halogen and Antimony free
Specifications
- Electrical specifications:
- Absolute maximum ratings:
- -0.3V to 2.0V supply voltage range
- -65°C to 150°C storage temperature range
- 125°C maximum junction temperature
- ESD HBM:
- ±2kV
- ESD CDM:
- ±500V
- Absolute maximum ratings:
- 4 Channels
- 8.1Gbps data rate
- 4 lanes/ports
- 1200mV maximum output swing
- I2C programming interfaces
- X1QFN (XEA32) package
Applications
- Tablets
- Smartphones
- Notebooks
- Desktops
- All-in-one PCs
Block Diagram
Functional Block Diagram
Application Circuit Diagram
Schematic Diagram
發佈日期: 2022-11-22
| 更新日期: 2022-12-02
