SemiQ GEN3 1200V SiC MOSFET Discrete Devices

SEMiQ GEN3 1200V SiC MOSFET Discrete Devices are third-generation SiC MOSFETs and are 20% smaller than SEMiQ’s second-generation SiC MOSFETs. These devices have been developed to increase performance and cut switching losses in high-voltage applications.

Each of the SEMiQ GEN3 1200V SiC MOSFETs are tested beyond 1400V. The devices target EV-charging stations, solar inverters, renewable power generation, industrial power supplies, motor-driver applications, and induction heating.

Features

  • Driver source pin for gate driving
  • Lower capacitance
  • Higher system efficiency
  • Easy to parallel
  • Lower switching loss
  • Longer creepage distance (GP3T020A120H, GP3T040A120H, and GP3T080A120H)

Applications

  • Solar inverters
  • Switch-mode power supplies, UPS
  • Induction heating and welding
  • EV charging stations
  • High voltage DC-DC converters
  • Motor drives

Circuit Diagram

Schematic - SemiQ GEN3 1200V SiC MOSFET Discrete Devices

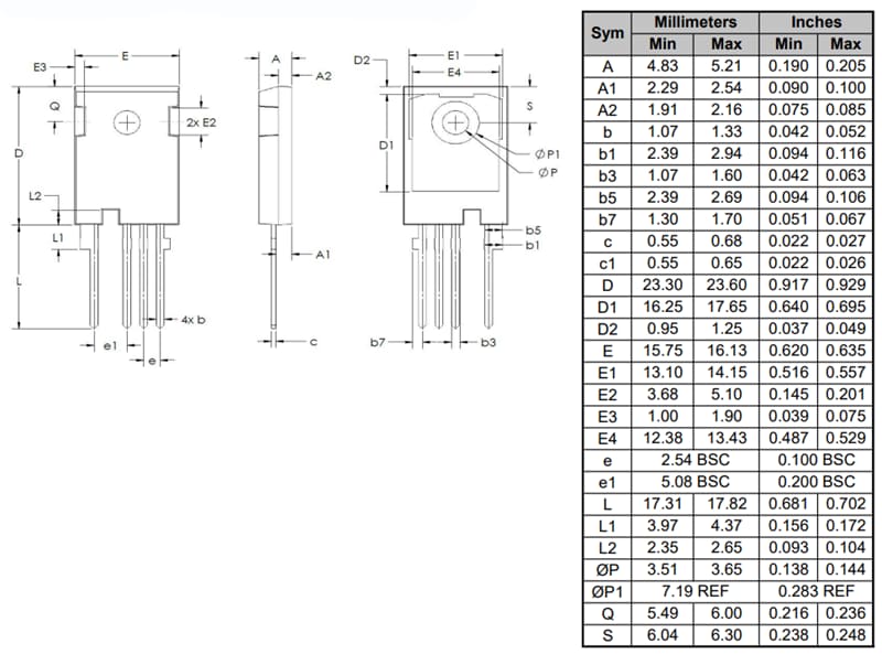
Package Diagram

Chart - SemiQ GEN3 1200V SiC MOSFET Discrete Devices
發佈日期: 2025-07-30 | 更新日期: 2025-08-13