Semtech RClamp/μClamp TVS二極體

Semtech RClamp/μClamp TVS二極體採用固態矽雪崩技術,具有低漏電流。這些二極體為設計人員提供了靈活性,可以在陣列設計不切實際的應用中保護單條線路。TVS二極體具有快速回應時間、低作業電壓和箝位電壓,以及7.5A至20A峰值脈衝電流。TVS二極體可儲存在-55°C至150°C溫度範圍內,並採用DFN 1.0 x 0.6 x 0.55mm 2引線封裝。這些TVS二極體非常適合工業設備、便擕式儀器和手提電腦。

特點

  • 固態矽雪崩技術
  • 低漏電流
  • 低ESD箝位電壓
  • 無鉛、無鹵
  • 符合RoHS規定

應用

  • 鍵盤、側鍵和音訊連接埠
  • 工業設備
  • 便擕式儀器
  • 筆記型電腦
  • 手提電話和配件

規格

  • 峰值脈衝電流:7.5A至20A 
  • DFN 1mm x 0.6mm x 0.55mm 2引線封裝
  • 作業溫度範圍:-40°C至120°C
  • 儲存溫度範圍:-55°C至150°C

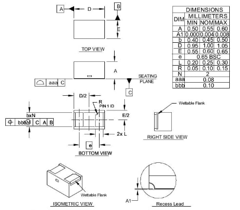
外形圖

機械製圖 - Semtech RClamp/μClamp TVS二極體

影片

發佈日期: 2023-10-25 | 更新日期: 2024-07-11