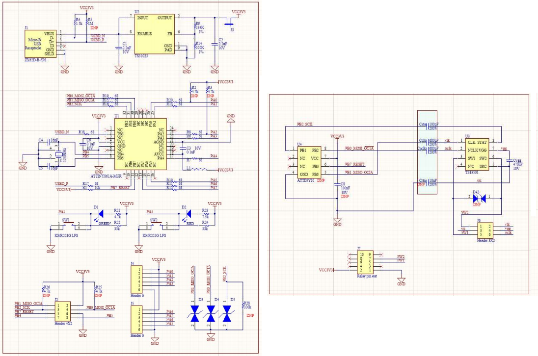
Semtech TS13501EVB Evaluation Board

Semtech TS13501EVB Evaluation Board is designed to quickly and easily demonstrate the TS13501. The TS13501 Neo-Iso™ Solid State Relay offers bi-directional blocking at 36V power with DC or AC switching. The TS13501 additionally produces galvanic isolation between the control system and load. Semtech TS13501EVB Evaluation Board gives developers a starting point for designs based on the TS13501 Relay.

Features

  • 36V power DC/AC switching
  • Transient-immune serial protocol

Schematic

Schematic - Semtech TS13501EVB Evaluation Board
發佈日期: 2019-03-19 | 更新日期: 2023-06-16