SOICW-16封裝結構透過將導體中電流所產生的磁場磁性耦合至單片式霍爾感應器IC,提供高電氣隔離能力,而此IC與整合式電流導體之間沒有任何物理接觸。MA封裝經過優化以提升電氣隔離能力,具有5000VRMS的耐壓等級,以及0.85mΩ的導體電阻。
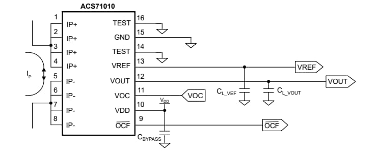
Allegro MicroSystems ACS71010霍爾效應電流感測器具有可外部可配置且穩健的操作特性,無需進行程式設定。快速過流故障輸出配備了短路檢測功能,可保護系統,其故障閾值與電流量程成正比,可透過類比輸入進行設定。參考腳位提供與0A輸出電壓對應的穩定電壓。參考電壓可用於差動測量,同時作為裝置端的基準電壓,用於設定過電流故障觸發門檻。
該設備符合RoHS規定,無鉛 (Pb),並配備100%啞光鍍錫鉛框架。
特點
- 高操作頻寬,適用於快速控制迴路或監控高速電流
- 頻寬:400kHz
- 典型反應時間:1.1µs
- 高性能,適用於優化的能源應用
- 在溫度範圍內(3σ,-40°至+105°C),靈敏度誤差小於0.6%,最大偏移電壓為±4mV
- 非比率式操作,VREF輸出
- 差動式感測,可對外部磁場具備高抗擾能力
- 無磁滯現象
- 可調節快速過流故障,典型反應時間為1µs
- 低內部一次側導體電阻:0.85mΩ
- 通過UL 62368-1(第3版)認證,高度隔離的緊湊型SOICW-16表面黏著封裝
- 5000VRMS耐壓
- 1097VRMS/1550VDC基本絕緣電壓
- 565VRMS/800VDC加強絕緣電壓
- 最佳化的溫度範圍為-40°C至+105°C,並可在最高+125°C下保持功能運作
- 等級2 AEC-Q100汽車級認證(待審)
應用
- 太陽能(光伏)逆變器
- 光伏監控
- MPPT
- EV充電
- 儲能系統 (ESS)
- 電源(UPS,SMPS)
- DC/AC相位電流感應
典型雙向應用
方塊圖
發佈日期: 2025-06-18
| 更新日期: 2025-07-03

