Siretta Stripped & Tinned RF Cable Assemblies

Siretta Stripped and Tinned RF Cable Assemblies feature a range of industry-standard bulkhead connectors with a stripped and tinned termination. The termination style of these Siretta cables allows designers to solder the cable directly to a PCB for a more robust solution, especially in high-vibration applications. The stripped and tinned ends prevent wire fraying and improve connection reliability. Applications include cellular modules, Wi-Fi®/BLUETOOTH® devices, drones/robotics, medical devices, and wearables.

Features

  • Stripped and tinned end
  • Connector options
    • SMA female bulkhead front mount with O-ring (ASMHxxxXC113S11)
    • SMA female bulkhead rear mount with O-ring (ASMHxxxXD113S11)
    • RP-SMA female bulkhead front mount with O-ring (ASMHxxxYD113S11)
    • RP-SMA female bulkhead rear mount with O-ring (ASMHxxxYE113S11)
    • SMA female bulkhead front mount (ASMHxxxZA113S11)
    • SMA female bulkhead rear mount (ASMHxxxZB113S11)
    • RP-SMA female bulkhead front mount (ASMHxxxZN113S11)
    • RP-SMA female bulkhead rear mount (ASMHxxxZO113S11)
  • 1.13mm coaxial cable
  • 50Ω impedance
  • 100mm, 150mm, or 300mm length
  • DC to 6GHz suggested working frequency

Applications

  • Cellular modules
  • Wi-Fi/Bluetooth devices
  • Drones/robotics
  • Medical devices
  • Wearable devices

Specifications

  • -40°C to +90°C operating temperature
  • RoHS and REACH compliant

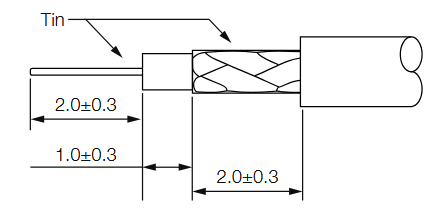
Tin Detail

Mechanical Drawing - Siretta Stripped & Tinned RF Cable Assemblies
發佈日期: 2025-08-05 | 更新日期: 2025-08-18