STMicroelectronics STEVAL-L6983IV1 Synchronous Iso-Buck Eval Board
STMicroelectronics STEVAL-L6983IV1 Evaluation Board designed to evaluate L6983I, 38V, 10W synchronous iso-buck converter for isolated applications. This eval board features primary output voltage that can be accurately adjusted and isolated secondary output, which is derived by a given transformer ratio. The STEVAL-L6983IV1 eval board generates an isolated unregulated voltage and provides the possibility to use a post-regulation to generate a dual voltage.Features
- Designed for iso-buck topology
- 4V to 38V operating input voltage
- Primary output voltage regulation
- No optocoupler required
- 4.5A source/sink peak primary current capability
- Peak current mode architecture in forced PWM operation
- 390ns blanking time
- 25µA operating quiescent current
- 200kHz to 1MHz programmable switching frequency.
- 2µF minimum stable with low ESR capacitor
- Internal compensation network
- 2μA shutdown current
- Internal soft start
- Enable
- Overvoltage protection
- Thermal protection
- Optional spread spectrum for improved EMC
- Power good
- Synchronization to an external clock
- QFN16 3mm x 3mm package
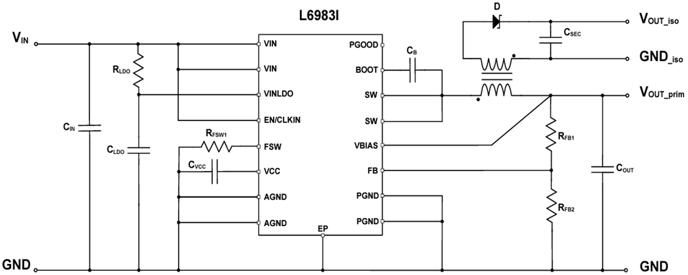
Schematic Diagram
Application Circuit Diagram
發佈日期: 2023-03-28
| 更新日期: 2023-10-05
