STMicroelectronics STGIPQ5C60T SLLIMM Nano 2nd Series IPM

STMicroelectronics STGIPQ5C60T SLLIMM™ Nano 2nd Series Intelligent Power Module (IPM) are designed to provide a high-performance AC motor drive in a simple and rugged design. These IPMs have three half-bridge High Voltage Gate Driver IC (HVIC) for gate driving and six IGBTs with freewheeling diodes that provide low Electromagnetic Interference (EMI).

The STGIPQ5C60T Small Low-Loss Intelligent Molded Module (SLLIMM) nano IPM features an operational amplifier and comparator that can be used to design an efficient protection circuit. Typical applications include 3-phase inverters for motor drives, air-conditioning fans, refrigerator compressors, and recirculation pumps.

Features

  • Internal bootstrap diode
  • Undervoltage lockout
  • Smart shutdown function
  • Interlocking function
  • Optimized for low electromagnetic interference
  • Op-amp for advanced current sensing
  • Comparator for fault protection against overcurrent
  • 1500Vrms/min isolation rating

Applications

  • 3-phase inverters for motor drives
  • Dish washer
  • Refrigerator compressors
  • Heating systems

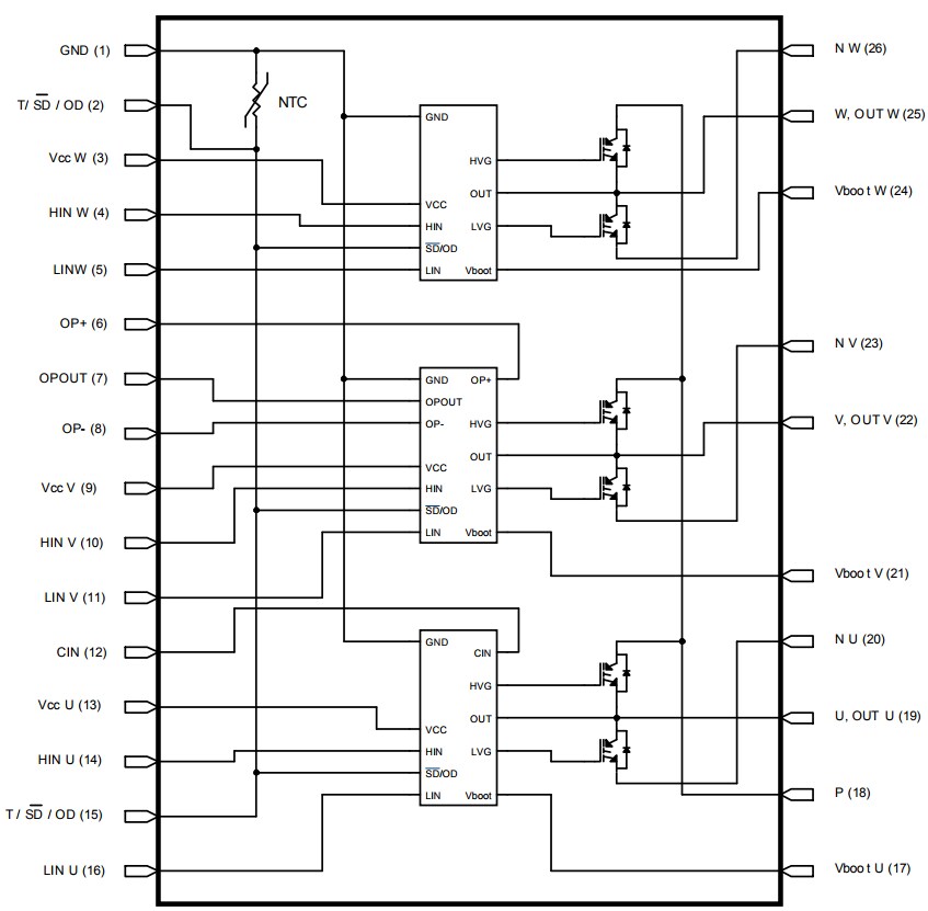
Internal Schematic Diagram and Pin Configuration

Mechanical Drawing - STMicroelectronics STGIPQ5C60T SLLIMM Nano 2nd Series IPM
發佈日期: 2017-11-16 | 更新日期: 2022-03-10