STMicroelectronics STPA001 MOSFET Quad Bridge Power Amplifiers
STMicroelectronics STPA001 MOSFET Quad Bridge Power Amplifiers have breakthrough MOSFET technology and are designed for high-power car radio. The STPA001 feature a fully complementary P-Channel/N-Channel output structure. This structure allows a rail-to-rail output voltage swing which, combined with high output current and minimized saturation losses, sets new power references in the car-radio field.The amplifiers have unparalleled distortion performances and can operate down to 6V. This makes the IC compliant to the most recent OEM specifications for low voltage operation.
Features
- Multipower BCD technology
- High output power capability:
- 4 x 50W/4Ω Max.
- 4 x 28W/4Ω @ 14.4V, 1kHz, 10%
- 4 x 72W/2Ω Max.
- MOSFET output power stage
- 2Ω driving capability
- Hi-Fi class distortion
- Low output noise
- High immunity to RF noise injection
- Standby function
- Mute function
- Automute at min. supply voltage detection
- Low external component count
- Internally fixed gain (26dB)
- Protections:
- Output short circuit to GND, to Vs, across the load
- Very inductive loads
- Overrating chip temperature with soft thermal limiter
- Output DC offset detection
- Load dump
- Fortuitous open GND
- Reversed battery
- ESD
- Capable to operate down to 6V (e.g. “Startstop”)
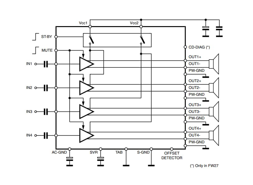
Block Diagram
發佈日期: 2017-08-14
| 更新日期: 2025-10-13
