STMicroelectronics STSPIN32G025x 250V Three-Phase BLDC Controllers
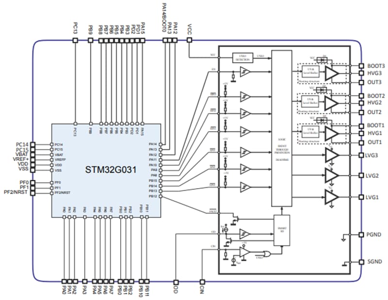
STMicroelectronics STSPIN32G025x 250V Three-Phase BLDC Controllers are an integrated solution for driving three-phase applications. STMicroelectronics STSPIN32G025x has an embedded STM32G031x8x3 MCU and a 250V triple half-bridge gate driver. The controllers support N-channel power MOSFETs or IGBTs. The device includes a smartSD comparator for quick and effective overload and overcurrent protection. Integrated features include high-voltage bootstrap diodes, anti-cross-conduction, dead time, UVLO protection on both driving sections, and matched delays for distortion-free cycles.Features
- Three-phase gate drivers
- High-voltage rail up to 250V
- dV/dt transient immunity ±50V/ns
- Gate driving voltage ranges from 9V to 20V
- Driver current capability
- 200/350mA source/sink current at +25°C (STSPIN32G0251)
- 1.00/0.85A source/sink current at +25°C (STSPIN32G0252)
- 32-bit Arm® Cortex®-M0+ MCU core
- Up to 64MHz clock frequency
- 8-Kbyte SRAM with hardware parity check
- 64-Kbyte flash memory with protection and securable area
- CRC calculation unit
- Up to 32x general-purpose I/O ports (GPIO)
- 1x advanced timer for motor control, 16-bit with up to 6x PWM channels
- 5x general-purpose timers (1x 32-bit)
- 2x low-power timers
- 12-bit ADC converter (up to 15x channels) with 2MSps conversion rate
- 5-channel DMA controller with flexible mapping
- Internal high-precision voltage reference
- Full set of interfaces: 2x I2C, 2x SPI, 3x UART, and 1x low-power UART
- Matched propagation delay for all channels
- Integrated bootstrap diodes
- Comparator for fast overcurrent protection
- UVLO, interlocking, and deadtime functions
- Smart shutdown (smartSD) function
- Standby mode for low power consumption
- On-chip debug support via SWD
- -40°C to +125°C extended temperature range
- QFN 10mm x 10mm 72L pitch 0.5mm creepage 1.8mm package
Applications
- Three-phase motor drivers
- Inverters
- Industrial appliances and fans
Block Diagram
發佈日期: 2024-02-28
| 更新日期: 2024-03-15
