STMicroelectronics TDA7851A / TDA7851F 4x45W MOSFET Power Amplifiers
STMicroelectronics TDA7851A and TDA7851F 4x45W MOSFET quad bridge power amplifiers are designed for high-power car radio applications. The fully complementary P-Channel/N-Channel output structure of STMicroelectronics TDA7851A and TDA7851F quad bridge power amplifiers allows a rail-to-rail output voltage swing. The TDA7851A and TDA7851Fset new power references in the car-radio field with unparalleled distortion performance.Features
- Multipower BCD technology
- High output power capability:
- 4x 45W/4Ω max.
- 4x 28W/4Ω @ 14.4V, 1kHz, 10 %
- 4x 72W/2Ω max.
- MOSFET output power stage
- 2Ω driving capability
- Protections:
- Output short circuit to GND, to VS, across the load
- Very inductive loads
- Overrating chip temperature with soft thermal limiter
- Load dump voltage
- Output DC offset detector
- Hi-Fi class distortion
- Low output noise
- Standby function
- Mute function
- Automute at min. supply voltage detection
- Low external component count:
- Internally fixed gain (26dB)
- No external compensation
- No bootstrap capacitors
Applications
- High-power car radio
Additional Resources
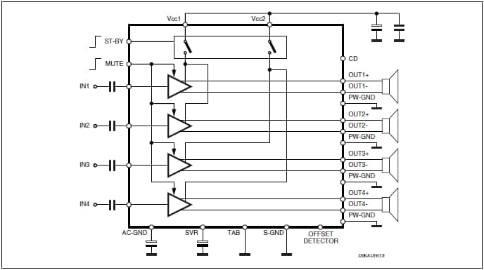
Block Diagram
發佈日期: 2011-11-15
| 更新日期: 2022-03-11
