STMicroelectronics LM139, LM239 & LM339 Quad Voltage Comparators
STMicroelectronics LM139, LM239, and LM339 Low-Power Quad Voltage Comparators consist of four independent precision-voltage comparators with an offset voltage specification as low as 2 mV. These Low-Power Quad Voltage Comparators have been designed specifically to operate from a single power supply over a wide range of voltages. Operation from split power supplies is also possible. STMicroelectronics' Low-Power Quad Voltage Comparators also have a unique characteristic in that the input common mode voltage range includes ground even though operated from a single power supply voltage.Features
- Wide single supply voltage range or dual supplies for all devices: +2V to +36V or ±1V to ±18V
- Very low supply current (1.1mA) independent of supply voltage
- Low input bias current: 25nA typ
- Low input offset current: ±5nA typ
- Low input offset voltage: ±1mV typ
- Input common-mode voltage range includes ground
- Low output saturation voltage: 250mV typ; (ISINK = 4mA)
- Differential input voltage range equal to the supply voltage
- TTL, DTL, ECL, MOS, CMOS compatible outputs
Complete Your Design
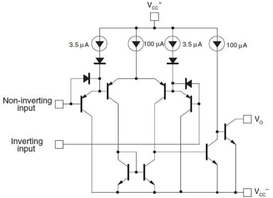
Schematic Diagram (1/4 LM139)
View Results ( 15 ) Page
| 零件編號 | 規格書 | 通道數 | Ib - 輸入偏置電流 | Vos - 輸入偏移電壓 | 運作供電電流 | 回應時間 | Pd - 功率消耗 | 每通道的輸出電流 | 封裝/外殼 |
|---|---|---|---|---|---|---|---|---|---|
| LM239QT | ![]() |
4 Channel | 250 nA | 5 mV | 2 mA | 1.3 us | 4 mA | QFN-16 | |
| LM139DT | ![]() |
4 Channel | 250 nA | 5 mV | 2 mA | 1.3 us | 830 mW | 4 mA | SOP-14 |
| LM239DT | ![]() |
4 Channel | 250 nA | 5 mV | 2 mA | 1.3 us | 830 mW | 4 mA | SOIC-14 |
| LM239D | ![]() |
4 Channel | 250 nA | 5 mV | 2 mA | 1.3 us | 830 mW | 4 mA | SOIC-14 |
| LM339APT | ![]() |
4 Channel | 100 nA | 2 mV | 2 mA | 1.3 us | 710 mW | 4 mA | TSSOP-14 |
| LM339PT | ![]() |
4 Channel | 250 nA | 5 mV | 2 mA | 1.3 us | 710 mW | 4 mA | TSSOP-14 |
| LM139ADT | ![]() |
4 Channel | 100 nA | 2 mV | 2 mA | 1.3 us | 830 mW | 4 mA | SOP-14 |
| LM239ADT | ![]() |
4 Channel | 100 nA | 2 mV | 2 mA | 1.3 us | 830 mW | 4 mA | SOIC-14 |
| LM239PT | ![]() |
4 Channel | 250 nA | 5 mV | 2 mA | 1.3 us | 710 mW | 4 mA | TSSOP-14 |
| LM339ADT | ![]() |
4 Channel | 100 nA | 2 mV | 2 mA | 1.3 us | 830 mW | 4 mA | SOIC-14 |
發佈日期: 2012-03-08
| 更新日期: 2022-03-11

