|
|
|
TE Connectivity MEAS Weather Shield開發套件
|
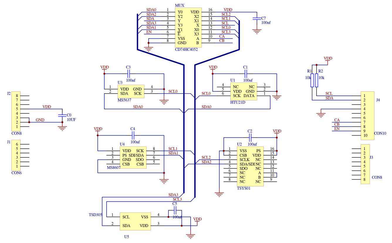
TE Connectivity的Measurement Specialties Weather-Shield開發套件提供必要的硬體,能將以下感測器連接至使用相容於Arduino/Genuino擴充連接埠的任何系統,以進行I2C通信:
- HTU21D數位相對濕度感測器
- MS5637數位氣壓感測器
- TSYS01數位溫度感測器
- MS8607數位相對濕度與數位壓力感測器
- TSD305-1C55數位熱電堆感測器
此套件有64個插孔焊盤,可用於焊接外部裝置,然後插入主機板進行測試。
|
 |
Arduino Zero Board為UNO平台的32位元擴充裝置,適合智慧物聯網裝置、穿戴式技術等各種創新專案。Zero擁有更高的效能,是一項絕佳的教育工具,可用來學習32位元應用的開發。
此電路板搭載Atmel的SAMD21 MCU,是一32位元的ARM Cortex® M0+核心。Atmel Embedded Debugger (EDBG) 提供完整的偵錯介面,不需額外的硬體便能輕鬆進行軟體偵錯。EDBG亦支援虛擬COM連接埠,可用於裝置和開機載入器的程式設計。
|
|
|
Arduino INDUSTRIAL 101為適用於Arduino 101 LGA模組的評估板,其基板整合了ATmega32u4微控制器。此模組支援以名為LininoOS的OpenWRT為基礎的Linux散佈套件。此電路板內建Wi-Fi®(IEEE 802.11b/g/n,作業速度最高150Mbps 1x1 2.4GHz)和3個GPIO(其中2個可用於PWM輸出)。附加卡亦提供4個類比輸入、USB、腳位插頭上的乙太網路訊號,並內建DC/DC轉換器。 |
|
|
Arduino Uno Rev. 3微控制器板以Atmel ATmega328 8位元微控制器 (MCU) 為基礎,可用於連接MEAS Weather Shield。Arduino Uno具備14個數位輸入/輸出腳位(六個用作PWM輸出)、六路類比輸入和一個16MHz石英晶體振盪器。Uno亦包含一個USB接口、一個電源插孔、一個實體電路串列燒錄 (ICSP) 接頭和一個重設按鈕。 |
|
|
|
|
發佈日期: 2016-08-09
| 更新日期: 2024-12-19