Texas Instruments AMC0386 & AMC0386-Q1 Isolated Modulators

Texas Instruments AMC0386 and AMC0386-Q1 Isolated Modulators are precision, galvanically isolated delta-sigma (ΔΣ) modulators with a high-voltage, high impedance input, and an external clock. These modulators operate at a supply voltage range of 3V to 5.5V for the high-side (AVDD) and 2.7V to 5.5V for the low-side (DVDD). The AMC0386 and AMC0386-Q1 isolated modulators feature a 10MHz nominal input clock frequency, 150V/ns (minimum) high CMTI, and provide reinforced isolation of up to 5kVRMS (60s). These modulators are available in a 15-pin, 0.65mm pitch SSOP package and are fully specified over the temperature range from -40°C to 125°C. The AMC0386-Q1 devices are AEC-Q100 qualified for automotive applications. Typical applications include traction inverters, onboard chargers, DC/DC converters, battery junction boxes, Server Power-Supply Units (PSU), Energy Storage Systems (ESS), Solar inverters, and EV charging stations.

Features

  • AEC-Q100 qualified for automotive applications:
    • -40°C to 125°C, TA temperature grade 1
  • Integrated, high-voltage resistive divider for direct AC or DC voltage sensing without external resistors
  • Supply voltage range:
    • 3V to 5.5V high-side (AVDD)
    • 2.7V to 5.5V low-side (DVDD)
  • Low DC errors:
    • ±0.9mV (maximum) offset error
    • ±7µV/°C (maximum) offset drift
    • ±0.25% (maximum) attenuation error
    • ±30ppm/°C (maximum) attenuation drift
  • 150V/ns (minimum) high CMTI
  • Missing high-side supply detection
  • Meets CISPR-11 and CISPR-25 limits low EMI
  • Available input options:
    • AMC0386M06/-Q1: ±600V, 10MΩ
    • AMC0386M06/-Q1: ±1000V, 12.5MΩ
  • Safety-related certifications:
    • 7000VPK reinforced isolation per DIN EN IEC 60747-17 (VDE 0884-17)
    • 5000VRMS isolation for 1 minute per UL1577

Applications

  • Server Power-Supply Units (PSU)
  • Energy Storage Systems (ESS)
  • Solar inverters
  • EV charging stations
  • Traction inverters
  • Onboard chargers
  • DC/DC converters
  • Battery junction boxes

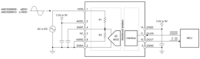
Typical Application Diagram

Application Circuit Diagram - Texas Instruments AMC0386 & AMC0386-Q1 Isolated Modulators

Functional Block Diagram

Block Diagram - Texas Instruments AMC0386 & AMC0386-Q1 Isolated Modulators

Recommended Layout

Texas Instruments AMC0386 & AMC0386-Q1 Isolated Modulators
發佈日期: 2026-01-13 | 更新日期: 2026-02-03